XRT7298 DS3/E3/STS-1 Integrated Line Transmitter

The XRT7298 device is a fully integrated PCM line driver IC intended for DS3, E3 or SONET STS-1 applications. Markets for the device include digital cross connect system, CSU/DSU equipment, PCM test equipment and fiber optic terminals.

技术特性
  • Fully Integrated Transmit Interface for DS3/E3/STS-1
  • Integrated Pulse Shaping Circuit
  • Compliance with Compatibility Bulletin 119, CCITT Recommendations G.703 and G.824, Bellcore TR-NWT-000499 ANSI T1.404
  • Built-in B3ZS/HDB3 Encoder and Decoder
  • Remote and Local Loopback Functions
  • Single 5V Power Supply
  • Contains Transmit Clock Duty Cycle Correction Circuit on Chip
  • Pb-Free, RoHS Compliant Versions Offered
应用领域 APPLICATION
  • Interface for SONET, DS3 and E3 Network Equipment
  • Digital Cross Connect Systems
  • CSU/DSU Equipment
  • PCM Test Equipment
  • Fiber Optic Terminals
订购信息 Ordering Information
器件型号 有害物质限制 最低温度 最高温度 状态 立刻购买 申请样片
XRT7298IW -40 85 Active
XRT7298IW-F -40 85 Active

 

技术指标
频道数量 1
数据传输速率(s) DS3, E3, STS-1
Clk Rec No
短途/长途 n/a
温度.范围 Ind.
OpPwr Sup/Max Cur 5V ±5%, 133mA
封装 SOJ-28, PDIP-28
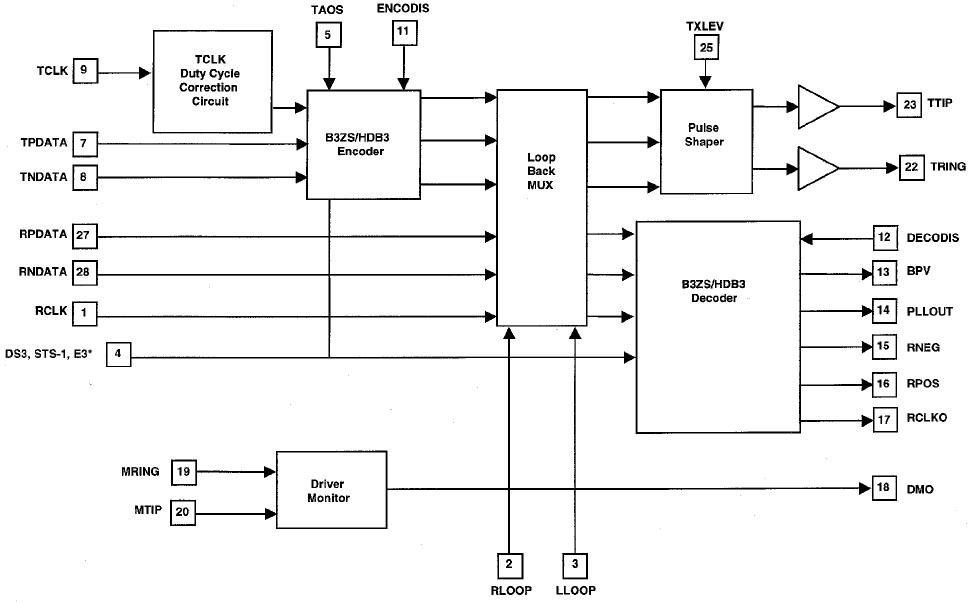
功能框图 Functional Block Diagram

XRT7298 功能框图

应用技术支持与电子电路设计开发资源下载 版本信息 大小
XRT7298 数据资料DataSheet下载:pdf Rev.V2 2 页