HFA1412: Quad, 350MHz, Low Power, Programmable Gain Buffer Amplifier

The HFA1412 is a quad closed loop Buffer featuring user programmable gain and high speed video performance. A unique feature of the HFA1412's pinout allows the user to select a voltage gain of +1, -1, or +2 (see the "Application Information" section). The on-chip gain setting resistors eliminate eight external resistors, thus saving board space or freeing up space for termination resistors. The on-chip feedback resistor is preset at the optimum value, and also eliminates worries about parasitic feedback capacitance. Additionally, the capacitance sensitive summing node is buried inside the package where it is unaffected by PCB parasitics. Compatibility with existing op amp pinouts provides flexibility to upgrade low gain amplifiers, while decreasing component count. Unlike most buffers, the standard pinout provides an upgrade path should a higher closed loop gain be needed at a future date. The HFA1412 is an excellent choice for component and composite video systems as indicated by the excellent gain flatness, and 0.03%/0.02 Degree Differential Gain/Phase specifications (RL = 150Ω). Its ability to deliver a gain of +2 with no external resistors makes it particularly desirable for applications driving double terminated cables. For Military product, refer to the HFA1412/883 data sheet.

Key Features
  • User Programmable For Closed-Loop Gains of +1, -1 or +2 Without Use of External Resistors
  • Wide -3dB Bandwidth 350MHz
  • Low Supply Current 6mA/Buffer
  • Excellent Gain Flatness (to 100MHz) ±0.08dB
  • Low Differential Gain and Phase 0.03%/0.02 Degree
  • Very Fast Slew Rate 1650V/µs
  • Fast Settling Time (0.1%) 28ns
  • High Output Current 55mA
  • Excellent Gain Accuracy 0.99V/V
  • Overdrive Recovery <10ns
  • Standard Operational Amplifier Pinout
  • Pb-Free Plus Anneal Available (RoHS Compliant)
Applications
  • Video Distribution Amps
  • Flash A/D Drivers
  • Video Cable Drivers
  • Video Switchers and Routers
  • Medical Imaging Systems
  • RGB Video Processing
  • High Speed Oscilloscopes and Analyzers
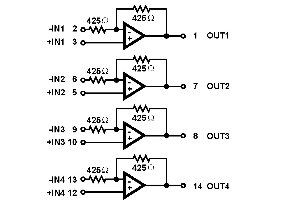
Typical Diagram
Application Notes
TitleTypeUpdatedSizeOther Languages
AN9787: An Intuitive Approach To Understanding Current Feedback AmplifiersPDF13 Nov 2014154 KB
AN9757: A Cookbook Approach to Single Supply DC-Coupled Op Amp DesignPDF13 Nov 201476 KB
AN9663: Converting From Voltage-Feedback to Current-Feedback AmplifiersPDF13 Nov 2014187 KB
AN9420: Current Feedback Amplifier Theory and ApplicationsPDF13 Nov 201483 KB
AN1652: iSim:PE Users GuidePDF13 Nov 20141.45 MB
Datasheets
TitleTypeUpdatedSizeOther Languages
HFA1412 DatasheetPDF14 Jul 2015365 KB
Order Information
Part NumberPackage TypeWeight(g)PinsMSL RatingPeak Temp (°C)RoHS Status
HFA1412IB14 Ld SOIC0.13141240
HFA1412IBZ14 Ld SOIC0.13143260RoHS
HFA1412IP14 Ld PDIP0.9714N/ANA
HFA1412IPZ14 Ld PDIP0.9714N/ANARoHS
HFA1412 Datasheet 14 Jul 2015
14 Ld SOIC HI-303
14 Ld PDIP HI-303
HFA1412 Macromodel 31 Oct 2014
HFA1412
AN9787: An Intuitive Approach To Understanding Current Feedback Amplifiers 13 Nov 2014
AN9757: A Cookbook Approach to Single Supply DC-Coupled Op Amp Design 13 Nov 2014
AN9663: Converting From Voltage-Feedback to Current-Feedback Amplifiers 13 Nov 2014
AN9420: Current Feedback Amplifier Theory and Applications 13 Nov 2014
AN1652: iSim:PE Users Guide 13 Nov 2014