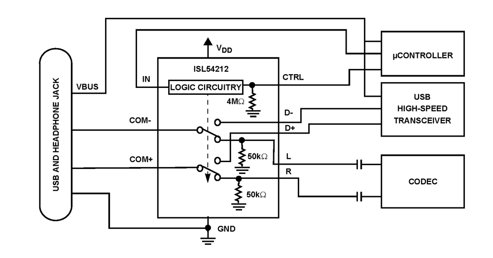
The Intersil ISL54212 dual SPDT (Single Pole/Double Throw) switches combine low distortion audio and accurate USB 2.0 high speed data (480Mbps) signal switching in the same low voltage device. When operated with a 2.5V to 5.5V single supply these analog switches allow audio signal swings below-ground, allowing the use of a common USB and audio headphone connector in Personal Media Players and other portable battery powered devices.
The ISL54212 logic control pins are 1.8V compatible which allows for control via a standard µcontroller. The part has an audio enable control pin to open all the switches and put the part in a low power state.
The ISL54212 is available in a small 10 Ld 2.1mmx1.6mm ultra-thin µTQFN package and a 10 Ld 3mmx3mm TDFN package. It operates over a temperature range of -40 to +85°C.
Key Features
- High Speed (480Mbps) and Full Speed (12Mbps) Signaling Capability per USB 2.0
- Low Distortion Negative Signal Capability
- Control Pin to Open all Switches and Enter Low Power State
- Low Distortion Headphone Audio Signals
- THD+N at 15mW into 32Ω Load <0.06%
- Cross-talk Audio Channels (20Hz to 20kHz) -110dB
- Single Supply Operation (VDD) 2.5V to 5.5V
- -3dB Bandwidth USB Switches 630MHz
- Available in µTQFN and TDFN Packages
- Pb-Free (RoHS Compliant)
- Compliant with USB 2.0 Short Circuit Requirements Without Additional External Components
Applications
- MP3 and Other Personal Media Players
- Cellular/Mobile Phones
- PDA's
- Audio/USB Switching

Order Information| Part Number | Package Type | Weight(g) | Pins | MSL Rating | Peak Temp (°C) | RoHS Status |
|---|
|
| ISL54212IRTZ | 10 Ld DFN | 0.022 | 10 | | 260 | RoHS |
|
|
| ISL54212IRTZ-T | 10 Ld DFN T+R | 0.022 | 10 | | 260 | RoHS |
|
|
| ISL54212IRUZ-T | 10 Ld uTQFN T+R | 0.0046 | 10 | | 260 | RoHS |
|
|