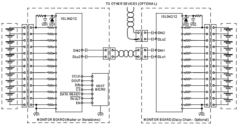
The ISL94212 Li-ion battery manager IC supervises up to 12 series connected cells. The part provides accurate monitoring, cell balancing and extensive system diagnostics functions. Three cell balancing modes are provided: Manual Balancing mode, Timed Balancing mode and Auto Balance mode. The Auto Balance mode terminates balancing functions when a charge transfer value has been met.
The ISL94212 communicates to a host microcontroller via an SPI interface and to other ISL94212 devices using a robust, proprietary, two-wire Daisy Chain system.
The ISL94212 is offered in a 64 Ld TQFP package and is specified for an operational temperature range of -40°C to +85°C.
Key Differences in Family| Product | Cells Supported | Pack Voltage (V) | Cell Balance | Current Sense | Charge/
Discharge FET | Control | Arrangement | Location | Supply Current (Typ) | Normal (uA) | Sleep (uA) | Stand-alone Capable | Internal ADC | Daisy Chain |
|---|
| ISL94202 | ISL94203 | ISL94208 | ISL94212 |
| 3 to 8 | 3 to 8 | 4 to 6 | 6 to 12 |
| 4 - 36 | 4 - 36 | 8 - 26.4 | 6 - 60 |
| External | External | Internal | External |
| High Side | High Side | Low Side | No |
| Yes | Yes | Yes | No |
| One Path | Two Path | Both | N/A |
| High Side | High Side | Low Side | N/A |
| 348 | 348 | 850 | 3310 |
| 13 | 13 | 2 | 12 |
| Yes | Yes | No | No |
| Yes | Yes | No | Yes |
| No | No | No | Yes |
Key Features
- Up to 12-cell voltage monitors, support Li-Ion CoO2, Li-ion Mn2O4, and Li-ion FePO4 chemistries
- Cell voltage measurement accuracy ±10mV
- 13-bit cell voltage measurement
- Pack voltage measurement accuracy ±180mV
- 14-bit pack voltage and temperature measurements
- Cell voltage scan rate of 19.5µs per cell (234µs to scan 12 cells)
- Internal temperature monitoring
- Up to four external temperature inputs
- Robust daisy chain communications system
- Integrated system diagnostics for all key internal functions
- Hardwired and communications based fault notification
- Integrated watchdog shuts down device if communication is lost
- 7µA shutdown current: Enable = VSS
- 2Mbps SPI
Applications
- Light electric vehicle (LEV); E-Moto; E-Bike
- Battery backup systems; Energy Storage Systems (ESS)
- Solar Farms
- Portable and semi-portable equipment

Order Information| Part Number | Package Type | Weight(g) | Pins | MSL Rating | Peak Temp (°C) | RoHS Status |
|---|
|
| ISL94212INZ-T | 64 Ld TQFP T+R | 0.345 | 64 | 3 | 260 | RoHS |
|
|
| ISL94212INZ | 64 Ld TQFP | 0.345 | 64 | 3 | 260 | RoHS |
|
|
|
|
| ISL94212EVZ | | | | N/A | | RoHS |
|
|
| ISL94212EVKIT1Z | | | | N/A | | RoHS |
|
|