The TW8804 LCD Flat Panel Controller is a low cost high quality TFT panel controller with an embedded NTSC/PAL/SECAM TV decoder. This unique level of mixed signal integration enables the panel to be used as a stand-alone analog TV. An integrated YPbPr/RGB component input allows direct connection to DVD, PIP and TTX sources. Separate digital inputs allow it to be used as a high quality computer monitor when combined with additional ICs. It incorporates easy-to-operate and powerful features in a single package for LCD TV,multi-purpose LCD Monitor, Portable DVD Players and Car Display Entertainment Systems.
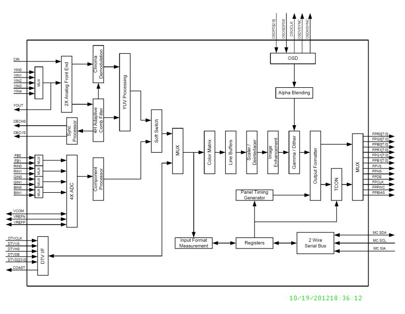
The TW8804 contains all the logic required to convert standard TV, DTV, and PC monitor signals to the digital control and data signals required to drive various TFT panel types. It supports TFT panel resolutions up to 1280 by 1024 (SXGA/WXGA) with either 1 or
2-pixel/clock formats.
The chip accepts CVBS (composite) analog input or S-video analog input or YPbPr input for use as a video monitor. Up to four physical CVBS inputs or one S-video input or one component input can be connected synchronously with component (RGB or YPbPr) input via fast blanking and switched internally under external microprocessor control.
The integrated analog front-end contains six ADCs with five clamping circuits and one Automatic Gain Control (AGC) circuit to minimize external component count. It employs a 2/4H, 5-line adaptive comb filter and proprietary Y/C processing technologies to produce exceptionally high quality pictures.
The chip's internal logic synchronizes the panel frame rate to the incoming input frame rate. A high quality image-scaling engine is used to convert the lower resolution formats or high resolution DTV formats to the output panel resolution. An internal de-interlacing engine also allows interlaced video to be supported.
On Screen Display is supported through either external OSD chip or onchip OSD RAM for maximum flexibility. A Closed Caption decoder is built in. The TW8804 also accepts a 24 bit digital RGB input from external PanelLinkTM receiver or ADCs for use as computer monitor. In addition, it accepts 8/16/24 bits digital YCbCr input for use with external ADCs for use as a DTV monitor.
The TW8804 also supports TFT panel power sequencing, DPMS Display Power Management Signaling) signaling and power management. The control interface is a
2-wire serial bus interface. The TW8804 core operates at 2.5V, the IO at 3.3V and is packaged in a 160-pin PQFP package.
Key Features
- Low angle compensation circuit for smooth video rendering
- Black/White/Blue stretch for higher contrast
- Sharpness control for sharper video
- Panorama/water glass feature for more natural scaling
- Integrated OSD with 200+ user defined fonts
- Integrated programmable timing controller (TCON) TFT Panel Support
- Supports a wide variety of active matrix TFT panels either one or two pixels per clock
- Supports panel with resolution up to SXGA (1280 x 1024) Timing Controller (TCON)
- Support programmable interface signals for control column (source) driver / row (gate) driver Analog Video Decoder
- NTSC (M, 4.34) and PAL (B,D,G,H, I,M,N,N combination), PAL (60),SECAM with automatic format detection
- Advanced synchronization processing for VCR fast forward, backward, and pause mode
- Six 9-bit ADCs and analog clamping circuit
- Fully programmable static gain or automatic gain control for the Y or CVBS channel 24bit Digital RGB and 8/16/24-bit YCbCr Inputs
- Allows connection to analog PC Graphics cards with the addition of a 3 channel A/D converter for up to SXGA resolution
- Allows YCbCr digital component input for DTV 480p, 720p, 1080i Image Control
- Programmable hue, brightness, saturation, contrast
- Automatic color control and color killer
- Sharpness control with vertical peaking up to +12db
- Programmable color transient improvement control
- Supports programmable cropping of input video and graphics
- High quality expansion for low-resolution graphics
- Built-in de-interlacing engine with proprietary low angle compensation circuit for smooth video rendering On Screen Display
- Built-in OSD controller with integrated character ROM and programmable RAM font
- Supports dedicated port for an optional external OSD controller Video Processing
- 4-H adaptive comb filter Y/C separation
- PAL delay line for color phase error correction
- Image enhancement with 2D dynamic peaking and CTI
- Digital sub-carrier PLL for accurate color decoding
- Digital Horizontal PLL and advanced synchronization processing for non-standard video signals
- Programmable hue, brightness, saturation, contrast, sharpness, gamma control, and noise suppression
Applications
- LCD TV
- LCD Monitor with TV
- Car TV Portable DVD Players

Order Information| Part Number | Package Type | Weight(g) | Pins | MSL Rating | Peak Temp (°C) | RoHS Status |
|---|
|
| TW8804-LC3-GRSH | 160 Ld LQFP | 1.8693 | 160 | 3 | 260 | RoHS |
|
|