LP2950 100mA低压差线性调节器
The LP2950 is a 100mA CMOS linear voltage regulator offered in an SC-70 package that reduces board space requirements by 50% over a SOT-23 package. The LP2950/4 features low dropout voltage (250mV at 100mA ), low ground current (135μA at full load) and low, 65μA quiescent current. Designed specifically for hand-held, battery powered devices, the device includes an enable/shutdown pin. Regulator ground current increases only slightly in dropout to extend battery life. The LP2950/4 is offered in an industry standard 5-pin SC-70 package. LP2950/4 is available in 1.8V, 2.5V, 2.7V, 2.85V, 3.0V, 3.3V and 5.0V fixed output voltages.
技术特性
- 在100mA输出有5.0V及3.3V两种版本可选
• 极低静态电流
• 低压差电压:在100mA时为380mV
• 极端紧负荷及线路压差
• 极低温度系数
• 电流和热极限
• 仅需1uF来稳定
• 提供TO-92(LP 2950)和SOIC封装
• 直接替换LP2950
应用领域 APPLICATION
- Digital Cordless Phones
- Cellular Phones
- PDAs
- Digital Still Cameras
- MP3 Players
- Battery-Powered Equipment
- Medical Devices
- Data Cable
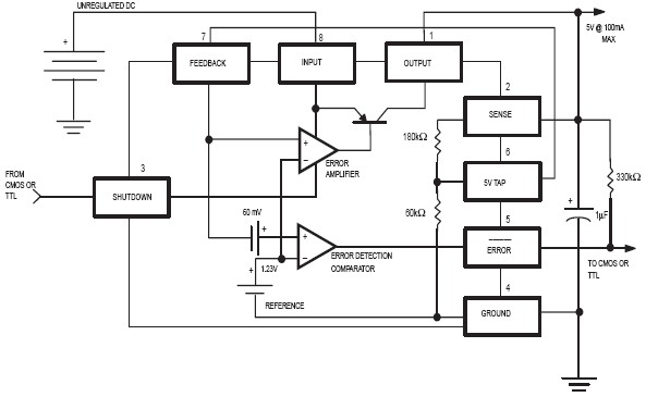
功能框图 Functional Block Diagram

|
技术指标
| 输出电流(mA) |
100 |
| 最低输入电压(V) |
2.4 |
| 最高输入电压(V) |
30 |
| 静态电流(µA) |
150 |
| 精确性 |
0.5%, 1% |
| 漏失电压 |
380 |
| 输出电压1.2V |
True |
| 输出电压1.5V |
否 |
| 输出电压1.8V |
否 |
| 输出电压2.0V |
否 |
| 输出电压2.5V |
否 |
| 输出电压2.7V |
否 |
| 输出电压2.85V |
否 |
| 输出电压2.8V |
否 |
| 输出电压3.0V |
否 |
| 输出电压3.3V |
是 |
| 输出电压3.5V |
否 |
| 输出电压5.0V |
是 |
| 输出电压可调 |
否 |
订购信息 Ordering Information
| 器件型号 |
有害物质限制 |
最低温度 |
最高温度 |
状态 |
立刻购买 |
申请样片 |
| LP2951CS-L-3-3 |
|
|
|
在售 |
|
|
| LP2951ACS-L-3-3/TR |
|
|
|
EOL |
|
|
| LP2951ACS-L-5-0 |
|
|
|
EOL |
|
|
| LP2951ACS-L-3-3 |
|
|
|
EOL |
|
|
| LP2951CS-5-0 |
|
|
|
在售 |
|
|
| LP2951CS-5-0/TR |
|
|
|
在售 |
|
|
| LP2951CS-L-5-0 |
|
|
|
在售 |
|
|
| LP2951CS-L-5-0/TR |
|
|
|
在售 |
|
|
| LP2951ACS-L-5-0/TR |
|
|
|
EOL |
|
|
| LP2951CS-L-3-3/TR |
|
|
|
在售 |
|
|
| LP2951ACS-3-3/TR |
|
|
|
在售 |
|
|
| LP2951ACS-3-3 |
|
|
|
OBS |
|
|
| LP2951ACS-5-0 |
|
|
|
OBS |
|
|
| LP2951CS-3-3 |
|
|
|
OBS |
|
|
| LP2951CS-3-3/TR |
|
|
|
OBS |
|
|
| LP2951ACS-5-0/TR |
|
|
|
在售 |
|
|
|