技术特性
- 稳定的 0.8A 输出电流
• 稳定的1A 峰值电流
• 3端可调节或选定电压1.5V, 1.8V, 2.5V, 3.0V, 3.3V 及 5V
• 低静态电流
• 在0.8A时为低压差为1.1V
• 0.1%线性和 0.2% 负载调节
• 在2.2uF 陶瓷电容下即可稳定工作
• 过量电流及过热保护
• 可选封装: SOT-223 及 TO-263
技术指标
| 输出电流(mA) |
800 |
| 最低输入电压(V) |
2.6 |
| 最高输入电压(V) |
15 |
| 静态电流(µA) |
5000 |
| 精确性 |
1% |
| 漏失电压 |
1100 |
| 输出电压1.2V |
True |
| 输出电压1.5V |
是 |
| 输出电压1.8V |
是 |
| 输出电压2.0V |
否 |
| 输出电压2.5V |
是 |
| 输出电压2.7V |
否 |
| 输出电压2.85V |
否 |
| 输出电压2.8V |
是 |
| 输出电压3.0V |
是 |
| 输出电压3.3V |
是 |
| 输出电压3.5V |
否 |
| 输出电压5.0V |
是 |
| 输出电压可调 |
是 |
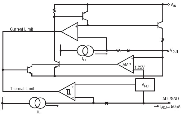
功能框图 Functional Block Diagram

|
订购信息 Ordering Information
| 器件型号 |
有害物质限制 |
最低温度 |
最高温度 |
状态 |
申请样片 |
| SPX1117R-L |
|
-40 |
125 |
EOL |
|
| SPX1117R-L/TR |
|
-40 |
125 |
EOL |
|
| SPX1117R-L-1-5 |
|
-40 |
125 |
EOL |
|
| SPX1117R-L-1-5/TR |
|
-40 |
125 |
EOL |
|
| SPX1117R-L-1-8 |
|
-40 |
125 |
EOL |
|
| SPX1117R-L-1-8/TR |
|
-40 |
125 |
EOL |
|
| SPX1117R-L-2-5 |
|
-40 |
125 |
EOL |
|
| SPX1117R-L-2-5/TR |
|
-40 |
125 |
EOL |
|
| SPX1117R-L-2-85 |
|
-40 |
125 |
EOL |
|
| SPX1117R-L-2-85/TR |
|
-40 |
125 |
EOL |
|
| SPX1117R-L-3-0 |
|
-40 |
125 |
EOL |
|
| SPX1117R-L-3-0/TR |
|
-40 |
125 |
EOL |
|
| SPX1117R-L-3-3 |
|
-40 |
125 |
EOL |
|
| SPX1117R-L-3-3/TR |
|
-40 |
125 |
EOL |
|
| SPX1117R-L-5-0 |
|
-40 |
125 |
EOL |
|
| SPX1117R-L-5-0/TR |
|
-40 |
125 |
EOL |
|
| SPX1117T-L-1-5 |
|
-40 |
125 |
EOL |
|
| SPX1117T-L-1-5/TR |
|
-40 |
125 |
EOL |
|
| SPX1117T-L-1-8 |
|
-40 |
125 |
EOL |
|
| SPX1117T-L-1-8/TR |
|
-40 |
125 |
EOL |
|
| SPX1117T-L-2-5 |
|
-40 |
125 |
EOL |
|
| SPX1117T-L-2-5/TR |
|
-40 |
125 |
EOL |
|
| SPX1117T-L-2-85 |
|
-40 |
125 |
EOL |
|
| SPX1117R-2-5/TR |
|
-40 |
125 |
运行 |
|
| SPX1117U-L |
|
-40 |
125 |
EOL |
|
| SPX1117U-L/TR |
|
-40 |
125 |
EOL |
|
| SPX1117U-L-1-5 |
|
-40 |
125 |
EOL |
|
| SPX1117U-L-1-8 |
|
-40 |
125 |
EOL |
|
| SPX1117U-L-2-5 |
|
-40 |
125 |
EOL |
|
| SPX1117U-L-2-85 |
|
-40 |
125 |
EOL |
|
| SPX1117U-L-2-8-5 |
|
|
|
EOL |
|
| SPX1117U-L-3-0 |
|
-40 |
125 |
EOL |
|
| SPX1117R-2-5 |
|
-40 |
125 |
运行 |
|
| SPX1117U-L-3-3 |
|
-40 |
125 |
EOL |
|
| SPX1117T-L-2-85/TR |
|
-40 |
125 |
EOL |
|
| SPX1117T-L-3-0 |
|
-40 |
125 |
EOL |
|
| SPX1117T-L-3-0/TR |
|
-40 |
125 |
EOL |
|
| SPX1117R-5-0 |
|
|
|
OBS |
|
| SPX1117R-5-0/TR |
|
|
|
OBS |
|
| SPX1117R-3-3/TR |
|
-40 |
125 |
运行 |
|
| SPX1117R-2-85/TR |
|
-40 |
125 |
运行 |
|
| SPX1117R-2-85 |
|
-40 |
125 |
运行 |
|
| SPX1117R-3-0 |
|
-40 |
125 |
运行 |
|
| SPX1117R-3-3 |
|
-40 |
125 |
运行 |
|
| SPX1117R-3-0/TR |
|
-40 |
125 |
运行 |
|
| SPX1117T-L-3-3 |
|
-40 |
125 |
运行 |
|
| SPX1117T-L-3-3/TR |
|
-40 |
125 |
运行 |
|
| SPX1117U |
|
-40 |
125 |
运行 |
|
| SPX1117T-3-3/TR |
|
-40 |
125 |
运行 |
|
| SPX1117T-L |
|
-40 |
125 |
运行 |
|
| SPX1117T-L/TR |
|
-40 |
125 |
运行 |
|
| SPX1117U-1-5 |
|
-40 |
125 |
运行 |
|
| SPX1117U-2-85 |
|
-40 |
125 |
运行 |
|
| SPX1117U-3-0 |
|
-40 |
125 |
运行 |
|
| SPX1117U-3-3 |
|
-40 |
125 |
运行 |
|
| SPX1117U-1-8 |
|
-40 |
125 |
运行 |
|
| SPX1117U-1-8/TR |
|
-40 |
125 |
OBS |
|
| SPX1117U-2-5 |
|
-40 |
125 |
运行 |
|
| SPX1117T-1-5/TR |
|
-40 |
125 |
运行 |
|
| SPX1117T-1-8 |
|
-40 |
125 |
运行 |
|
| SPX1117T-1-8/TR |
|
-40 |
125 |
运行 |
|
| SPX1117T |
|
-40 |
125 |
运行 |
|
| SPX1117T/TR |
|
-40 |
125 |
运行 |
|
| SPX1117T-1-5 |
|
-40 |
125 |
运行 |
|
| SPX1117T-2-5 |
|
-40 |
125 |
运行 |
|
| SPX1117T-3-0 |
|
-40 |
125 |
运行 |
|
| SPX1117T-3-0/TR |
|
-40 |
125 |
运行 |
|
| SPX1117T-3-3 |
|
-40 |
125 |
运行 |
|
| SPX1117T-2-5/TR |
|
-40 |
125 |
运行 |
|
| SPX1117T-2-85 |
|
-40 |
125 |
运行 |
|
| SPX1117T-2-85/TR |
|
-40 |
125 |
OBS |
|
| SPX1117R-1-8/TR |
|
-40 |
125 |
运行 |
|
| SPX1117HM3-3-3/TR |
|
|
|
返修 |
|
| SPX1117HM3-5-0/TR |
|
|
|
返修 |
|
| SPX1117HM3-3-0 |
|
|
|
返修 |
|
| SPX1117HM3-3-0/TR |
|
|
|
返修 |
|
| SPX1117M3 |
|
-40 |
125 |
在售 |
|
| SPX1117HM3-L |
|
-40 |
125 |
EOL |
|
| SPX1117HM3-L/TR |
|
-40 |
125 |
EOL |
|
| SPX1117HM3-L-1-5 |
|
-40 |
125 |
EOL |
|
| SPX1117HM3-2-85/TR |
|
|
|
返修 |
|
| SPX1117HM3-L-1-5/TR |
|
-40 |
125 |
EOL |
|
| SPX1117HM3/TR |
|
-40 |
125 |
在售 |
|
| SPX1117HM3-1-5/TR |
|
|
|
返修 |
|
| SPX1117HM3-L-1-8 |
|
-40 |
125 |
EOL |
|
| SPX1117HM3 |
|
-40 |
125 |
返修 |
|
| SPX1117HM3-L-1-8/TR |
|
-40 |
125 |
EOL |
|
| SPX1117HM3-L-2-5 |
|
-40 |
125 |
EOL |
|
| SPX1117HM3-L-2-5/TR |
|
-40 |
125 |
EOL |
|
| SPX1117HM3-L-2-85 |
|
-40 |
125 |
EOL |
|
| SPX1117HM3-L-2-85/TR |
|
-40 |
125 |
EOL |
|
| SPX1117HM3-L-3-0 |
|
-40 |
125 |
EOL |
|
| SPX1117HM3-L-3-0/TR |
|
-40 |
125 |
EOL |
|
| SPX1117HM3-L-3-3 |
|
-40 |
125 |
EOL |
|
| SPX1117HM3-L-5-0 |
|
-40 |
125 |
EOL |
|
| SPX1117JR-L/TR |
|
-40 |
125 |
EOL |
|
| SPX1117HM3-2-85 |
|
|
|
返修 |
|
| SPX1117HM3-L-3-3/TR |
|
-40 |
125 |
EOL |
|
| SPX1117HM3-L-5-0/TR |
|
-40 |
125 |
EOL |
|
| SPX1117JT-L/TR |
|
-40 |
125 |
EOL |
|
| SPX1117JU-L-3-3 |
|
-40 |
125 |
EOL |
|
| SPX1117HM3-1-8 |
|
|
|
OBS |
|
| SPX1117HM3-1-8/TR |
|
|
|
OBS |
|
| SPX1117HM3-2-5 |
|
|
|
OBS |
|
| SPX1117HM3-2-5/TR |
|
|
|
OBS |
|
| SPX1117HM3-3-3 |
|
|
|
OBS |
|
| SPX1117HM3-5-0 |
|
|
|
OBS |
|
| SPX1117M3/TR |
|
-40 |
125 |
在售 |
|
| SPX1117M3-L-2-85 |
|
-40 |
125 |
EOL |
|
| SPX1117M3-L-2-85/TR |
|
-40 |
125 |
EOL |
|
| SPX1117M3-L-3-0 |
|
-40 |
125 |
EOL |
|
| SPX1117M3-L-3-0/TR |
|
-40 |
125 |
EOL |
|
| SPX1117M3-L-1-8/TR |
|
-40 |
125 |
在售 |
|
| SPX1117M3-L-1-8 |
|
-40 |
125 |
在售 |
|
| SPX1117M3-L-2-5/TR |
|
-40 |
125 |
在售 |
|
| SPX1117M3-L-2-5 |
|
-40 |
125 |
在售 |
|
| SPX1117M3-L-3-3 |
|
-40 |
125 |
在售 |
|
| SPX1117R-1-5 |
|
-40 |
125 |
运行 |
|
| SPX1117R/TR |
|
-40 |
125 |
运行 |
|
| SPX1117R-1-8 |
|
-40 |
125 |
运行 |
|
| SPX1117R-1-5/TR |
|
-40 |
125 |
运行 |
|
| SPX1117M3-L-3-3/TR |
|
-40 |
125 |
Active |
|
| SPX1117M3-L-5-0 |
|
-40 |
125 |
Active |
|
| SPX1117M3-L-5-0/TR |
|
-40 |
125 |
Active |
|
| SPX1117R |
|
-40 |
125 |
运行 |
|
| SPX1117M3-L-1-5/TR |
|
-40 |
125 |
在售 |
|
| SPX1117M3-L |
|
-40 |
125 |
在售 |
|
| SPX1117M3-1-5 |
|
-40 |
125 |
OBS |
|
| SPX1117M3-1-5/TR |
|
-40 |
125 |
OBS |
|
| SPX1117M3-1-8 |
|
-40 |
125 |
OBS |
|
| SPX1117M3-1-8/TR |
|
-40 |
125 |
OBS |
|
| SPX1117M3-2-5 |
|
-40 |
125 |
OBS |
|
| SPX1117M3-2-5/TR |
|
-40 |
125 |
OBS |
|
| SPX1117M3-2-85 |
|
-40 |
125 |
OBS |
|
| SPX1117M3-2-85/TR |
|
-40 |
125 |
OBS |
|
| SPX1117M3-3-0 |
|
-40 |
125 |
OBS |
|
| SPX1117M3-L/TR |
|
-40 |
125 |
在售 |
|
| SPX1117M3-L-1-5 |
|
-40 |
125 |
在售 |
|