典型参数: 外引线排列图
tpd=11.5ns Pd=365mW
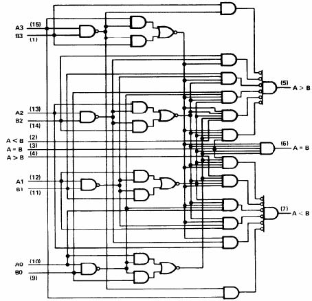
逻辑图


说明:
这种四位大小比较器能进行二进制码和 BCD(8-4-2-1)码大小的比较。它可以对两个四位字( A、B)进行译码后而作出三种比较判断,并将结果在三个输出端输出。不需外加门,就完全可扩展到任何位。对较长字的比较可以把比较器级联起来进行。处理低有效位级的输出端 A>B, A<B和 A=B接到下一级处理高有效位级相应的 A>B, A<B和 A=B输入端上。处理最低有效位的级一定要有一个高电平电压加到 A=B输入端。本电路级联通道只有一个二级门延迟,可减小长“字”的总比较时间。
推荐工作条件
| 符号 | 参数名称 | 74S85 | 54S85 | 单位 | ||||
|---|---|---|---|---|---|---|---|---|
| 最小 | 典型 | 最大 | 最小 | 典型 | 最大 | |||
| Vcc | 电源电压 | 4.75 | 5 | 5.25 | 4.5 | 5 | 5.5 | V |
| VIH | 输入高电平电压 | 2.0 | 2.0 | V | ||||
| VIL | 输入低电平电压 | 0.8 | 0.8 | V | ||||
| IOH | 输出高电平电流 | -1 | -1 | mA | ||||
| IOL | 输出低电平电流 | 20 | 20 | mA | ||||
| TA | 工作环境温度 | -40 | 85 | -55 | 125 | ℃ | ||
电 性 能:(除特别说明外,均为全温度范围)
| 符号 | 参数名称 | 测试条件 | 74S85 | 54S85 | 单位 | |||||
|---|---|---|---|---|---|---|---|---|---|---|
| 最小 | 典型 | 最大 | 最小 | 典型 | 最大 | |||||
| VIK | 输入钳位电压 | Vcc=最小 II=-18mA | -1.2 | -1.2 | V | |||||
| VOH | 输出高电平电压 | Vcc=最小 VIL =最大 VIH=2V IOH =最大 | 2.7 | 2.5 | 3.4 | V | ||||
| VOL | 输出低电平电压 | Vcc=最小 VIL =最大 VIH=2V IOL=最大 | 0.5 | 0.5 | V | |||||
| II | 输入电流 (最大输入电压时 ) | Vcc=最大 VI=5.5V | 1.0 | 1.0 | mA | |||||
| IIH | 输入高电平电流 | Vcc=最大 VI =2.7V | A>B,A<B | 50 | 50 | μA | ||||
| 其它输入 | 150 | 150 | ||||||||
| IIL | 输入低电平电流 | Vcc=最大 VI =0.5V | A>B,A<B | -2 | -2 | mA | ||||
| 其它输入 | -6 | -6 | ||||||||
| IOS | 输出短路电流 | Vcc=最大 VO=0V | -40 | -100 | -40 | -100 | mA | |||
| ICC | 电源电流 | Vcc=最大 (注) | 115 | 73 | 115 | mA | ||||
注:Icc在全部输出端开路, A=B输入端接地,其它输入端接 4.5V下测量。所有典型值均为在 Vcc=5.0V, TA=25℃下测量的 . 交流(开关)参数:Vcc=5.0V, TA=25℃
| 符号 | 参数名称 | 从(输入) | 到(输出) | 门级数 | 测试条件 | 参数值 | 单位 | ||
|---|---|---|---|---|---|---|---|---|---|
| 最小 | 典型 | 最大 | |||||||
| 1 | 5 | ns | |||||||
| tPLH | 传输延迟时间 | 任一 A或 B | A<B A>B | 2 | 7.5 | ns | |||
| 3 | 10.5 | 16 | ns | ||||||
| A=B | 4 | 12 | 18 | ns | |||||
| 1 | 5.5 | ns | |||||||
| tPHL | 传输延迟时间 | 任一 A或 B | A<B A>B | 2 | CL=15pF RL=280Ω | 7 | ns | ||
| 3 | 11 | 16.5 | ns | ||||||
| A=B | 4 | 11 | 16.5 | ns | |||||
| tPLH | 传输延迟时间 | A<B, A=B | A>B | 1 | 6 | 7.5 | ns | ||
| tPHL | 传输延迟时间 | A<B, A=B | A>B | 1 | 5.5 | 7.5 | ns | ||
| tPLH | 传输延迟时间 | A=B | A=B | 2 | 7 | 10.5 | ns | ||
| tPHL | 传输延迟时间 | A=B | A=B | 2 | 5 | 7.5 | ns | ||
| tPLH | 传输延迟时间 | A>B,A=B | A<B | 1 | 5 | 7.5 | ns | ||
| tPHL | 传输延迟时间 | A>B,A=B | A<B | 1 | 5.5 | 8.5 | ns | ||