54S373 / 74S373 特点:

功能表
| 输入 | 输出 | ||
| 输出控制 | 使能 | 数据 | |
![]() |
G | D | Q |
| L | H | H | H |
| L | H | L | L |
| L | L | × | QO |
| H | × | × | Z |
H=高电平 L=低电平 ×=不定 Z=高阻态 QO=建立稳态输入条件前 Q的电平
说明:
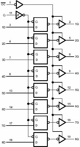
S373的八个锁存器都是透明的 D型锁存器,当使能(G)为高时,Q输出将随数据(D)输入而变。当使能为低时,输出将锁存在已建立的数据电平上。输出控制
不影响锁存器的内部工作,即老数据可以保持,甚至当输出被关闭时,新的数据也可以置入。
这种电路可以驱动大电容或低阻抗负载,可以直接与系统总线接口并驱动总线,而不需要外接口。特别适用于缓冲寄存器,I/O通道,双向总线驱动器和工作寄存器。
推荐工作条件
| 符号 | 参数名称 | 74S373 | 54S373 | 单位 | |||||
|---|---|---|---|---|---|---|---|---|---|
| 最小 | 典型 | 最大 | 最小 | 典型 | 最大 | ||||
| Vcc | 电源电压 | 4.75 | 5 | 5.25 | 4.5 | 5 | 5.5 | V | |
| VIH | 输入高电平电压 | 2.0 | 2.0 | V | |||||
| VIL | 输入低电平电压 | 0.8 | 0.8 | V | |||||
| IOH | 输出高电平电流 | -6.5 | -2 | mA | |||||
| IOL | 输出低电平电流 | 20 | 20 | mA | |||||
| tW | 使能脉冲宽度 | 高 | 6 | 6 | ns | ||||
| 低 | 7.3 | 7.3 | ns | ||||||
| tsu | 数据建立时间 | 0↓ | 0↓ | ns | |||||
| th | 数据保持时间 | 10↓ | 10↓ | ns | |||||
| TA | 工作环境温度 | -40 | 85 | -55 | 125 | ℃ | |||
电 性 能:(除特别说明外,均为全温度范围)
| 符号 | 参数名称 | 测试条件 | 74S373 | 54S373 | 单位 | ||||
|---|---|---|---|---|---|---|---|---|---|
| 最小 | 典型 | 最大 | 最小 | 典型 | 最大 | ||||
| VIK | 输入钳位电压 | Vcc=最小 II =-18mA | -1.2 | -1.2 | V | ||||
| VOH | 输出高电平电压 | Vcc=最小 VIL =最大 VIH=2V IOH=最大 | 2.4 | 2.4 | 3.4 | V | |||
| VOL | 输出低电平电压 | Vcc=最小 VIL=最大 VIH=2V IOL=最大 | 0.5 | 0.5 | V | ||||
| II | 输入电流 (最大输入电压时 ) | Vcc=最大 VI=5.5V | 1 | 1 | mA | ||||
| IIH | 输入高电平电流 | Vcc=最大 VI=2.7V | 50 | 50 | μA | ||||
| IIL | 输入低电平电流 | Vcc=最大 VI=0.5V | -250 | -250 | μA | ||||
| IOZH | 高关态输出电流 | Vcc=最大 VI=2.0V Vo=2.4V | 50 | 50 | μA | ||||
| IOZL | 低关态输出电流 | Vcc=最大 VI=2.0V Vo=0.5V | -50 | -50 | μA | ||||
| IOS | 输出短路电流 | Vcc=最大 VO=0V | -40 | -100 | -40 | -100 | mA | ||
| ICC | 电源电流 | Vcc=最大 (注) | 160 | 105 | 160 | mA | |||
注:Icc在输出控制端加 4.5V时测量。所有典型值均在 Vcc=5.0V, TA=25℃下测量得出。交流(开关)参数:Vcc=5.0V, TA=25℃
| 符号 | 参数名称 | 从(输入) | 到(输出) | 测试条件 | 参数值 | 单位 | ||
|---|---|---|---|---|---|---|---|---|
| 最小 | 典型 | 最大 | ||||||
| tPLH | 传输延迟 | 数据 D | 5 | 9 | ns | |||
| tPHL | 传输延迟 | 9 | 13 | |||||
| tPLH | 传输延迟 | 使能 G | CL=15 pF | 7 | 14 | ns | ||
| tPHL | 传输延迟 | RL=280Ω | 12 | 18 | ||||
| tPZH | 传输延迟 | 输出控制 | 任一 Q | 8 | 15 | ns | ||
| tPZL | 传输延迟 | 11 | 18 | |||||
| tPHZ | 传输延迟 | 输出控制 | CL=5pF | 6 | 9 | ns | ||
| tPLZ | 传输延迟 | RL=280Ω | 8 | 12 | ||||