2N6034:4.0 A, 40 V PNP Darlington Bipolar Power Transistor
The Power 4 A, 80 V NPN Darlington Bipolar Power Transistor is designed for general purpose amplifier and low speed switching applications.
技术特性
- High DC Current Gain -
hFE = 2000 (Typ) @ IC = 2.0 Adc
Collector-Emitter Sustaining Voltage - @ 100 mAdc
VCEO(sus) = 60 Vdc (Min) - 2N6035, 2N6038
VCEO(sus) = 80 Vdc (Min) - 2N6036, 2N6039
- Forward Biased Second Breakdown Current Capability
IS/b = 1.5 Adc @ 25 Vdc
- Monolithic Construction with Built-in Base-Emitter Resistors to Limit Leakage Multiplication
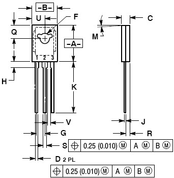
- Space-Saving High Performance-to-Cost Ratio TO-225AA Plastic Package
- Pb-Free Packages are Available
订购信息 Ordering Information
| 产品 |
状况 |
Compliance |
具体说明 |
封装 |
MSL* |
容器 |
预算价格 (1千个数量的单价) |
| 类型 |
外形 |
类型 |
数量 |
| 2N6034G |
Active |
|
4.0 A, 40 V PNP Darlington Bipolar Power Transistor |
TO-225-3 |
77-09 |
|
Bulk Box |
500 |
$0.32 |
| 2N6034 |
Last Shipments |
|
4.0 A, 40 V PNP Darlington Bipolar Power Transistor |
TO-225-3 |
77-09 |
|
Bulk Box |
500 |
|
|
封装图 PACKAGE DIMENSIONS

|