LM239:Single Supply Quad Comparator
This comparator is designed for use in level detection, low-level sensing and memory applications in consumer automotive and industrial electronic applications.
特性
- Single or Split Supply Operation
- Low Input Bias Current: 25 nA (Typ)
- Low Input Offset Current: +/- 5.0 nA (Typ)
- Input Common Mode Voltage Range to Gnd
- Low Output Saturation Voltage: 130 mV (Typ) @ 4.0 mA
- TTL and CMOS Compatible
- ESD Clamps on the Inputs Increase Reliability without Affecting Device Operation
|
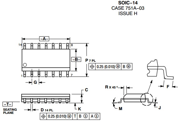
封装图 PACKAGE DIMENSIONS

|
订购信息 Ordering Information
| 产品 |
状况 |
Compliance |
具体说明 |
封装 |
MSL* |
容器 |
预算价格 (1千个数量的单价) |
| 类型 |
外形 |
类型 |
数量 |
| LM239DG |
Active |
|
Single Supply Quad Comparator |
SOIC-14 |
751A-03 |
1 |
Tube |
55 |
$0.2 |
| LM239DR2G |
Active |
|
Single Supply Quad Comparator |
SOIC-14 |
751A-03 |
1 |
Tape and Reel |
2500 |
$0.2 |
| LM239DTBR2G |
Active |
|
Single Supply Quad Comparator |
TSSOP-14 |
948G-01 |
1 |
Tape and Reel |
2500 |
$0.24 |
| LM239NG |
Active |
|
Single Supply Quad Comparator |
PDIP-14 |
646-06 |
|
Tube |
500 |
$0.2 |
数据资料DataSheet下载