NSBC113EF3:PNP Bipolar Digital Transistor (BRT)
This series of digital transistors is designed to replace a single device and its external resistor bias network. The Bias Resistor Transistor (BRT) contains a single transistor with a monolithic bias network consisting of two resistors; a series base resistor and a base-emitter resistor. The BRT eliminates these individual components by integrating them into a single device. The use of a BRT can reduce both system cost and board space.
技术特性
- Simplifies Circuit Design
- Reduces Board Spac
- Reduces Component Count
- S and NSV Prefix for Automotive and Other Applications Requiring Unique Site and Control Change Requirements; AECQ101 Qualified and PPAP Capable
- These Devices are PbFree, Halogen Free/BFR Free and are RoHS Compliant
|
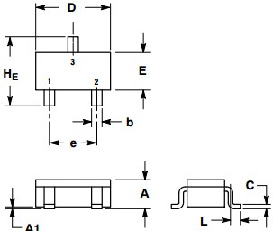
封装图 MARKING DIAGRAM

|
订购信息 Ordering Information
| 产品 |
状况 |
Compliance |
具体说明 |
封装 |
MSL* |
容器 |
预算价格 (1千个数量的单价) |
| 类型 |
外形 |
类型 |
数量 |
| NSBC113EF3T5G |
Product Preview |
| AEC Qualified |
| Pb-free |
| Halide free |
|
NPN Bipolar Digital Transistor (BRT) |
SOT-1123-3 |
524AA |
1 |
Tape and Reel |
8000 |
|
数据资料DataSheet下载