AS236-321LF PHEMT GaAs IC High-Power 4-CTL
DPDT Switch LF–6 GHz
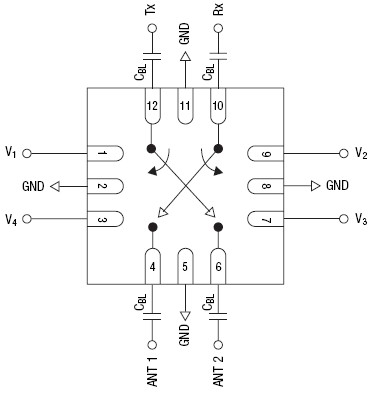
Skyworks AS236-321 is a broadband DPDT switch designed to combine T/R and antenna diversity switching functions on a single IC. The device is designed to handle high power and maintain high linearity at low control voltages. This-low cost switch is ideal for Wi-Fi systems and is capable of covering both the 2.4 GHz and 5 GHz bands.
技术特性
- Application 802.11a (5.2–5.8 GHz) and 802.11b,
(2.4 GHz) diversity
- Operating frequency LF–6 GHz
- Positive low voltage control (0/3 V operation)
- Low insertion loss, less than 1.2 dB, LF–6 GHz
- High linearity 57 dBm IIP3
- Miniature QFN-12 plastic package
- Available lead (Pb)-free and RoHS-compliant MSL-1 @ 250 °C
per JEDEC J-STD-020
应用领域 APPLICATION
- WLAN 802.11a, b, g diversity
订购信息 Ordering Information
|
引脚定义

|