SKY13316-12LF GaAs IC SPST Non-Reflective Switch 300 kHz–2.5 GHz

The SKY13316-12LF is a non-reflective SPST switch designed for low cost, low power commercial applications. It is ideal for use as a building block for high isolation multi-throw switches.

技术特性
  • High isolation (50 dB @ 900 MHz)
  • J1 reflective (open) in isolation state
  • J2 non-reflective in isolation state
  • Available lead (Pb)-free and RoHS-compliant MSL-1 @ 260 °C per JEDEC J-STD-020
订购信息 Ordering Information
  • SKY13316-12LF

 

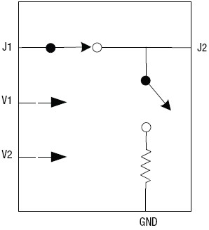
功能框图 Functional Block Diagram

SKY13316-12LF 功能框图

应用技术支持与电子电路设计开发资源下载 版本信息 大小
SKY13316-12LF 数据资料DataSheet下载:pdf Rev.V2 2 页