TGA4532-SM K 波段功率放大器
The TriQuint TGA4533-SM is a K band power amplifier. The TGA4533-SM operates from 21.2 to 23.6 GHz and is designed using TriQuint's power pHEMT production process. The TGA4533-SM typically provides 31 dBm of output power at 1 dB gain compression with small signal gain of 22 dB. Third Order Intercept is 41 dBm at 21 dBm SCL. The TGA4533-SM is available in a low-cost, surface mount 20 lead 4 x 4 QFN package. It is ideally suited for point-to-point radio, and K band satellite communications. The part is lead-free and RoHS compliant. Evaluation boards are available upon request.
技术特性
- Frequency range: 21.2 to 23.6 GHz
- Power: 32 dBm Psat, 31 dBm P1dB
- Gain: 22 dB
- TOI: 41 dBm at 21 dBm SCL
- NF: 6 dB
- Integrated power detector
- Bias: Vd = 6 V, Idq = 880 mA, Vg = -0.7 V typical
- Package dimensions: 4.0 x 4.0 x 0.85 mm
订购信息 Ordering Information
TGA4532-SM 产品实物图

|
技术指标
| 频率(GHz) |
功率(dBm) |
增益(dB) |
NF/PAE |
+V |
IQ(mA) |
| 21.2 - 23.6 |
32 |
22 |
6 |
6 |
880 |
应用领域 APPLICATION
- K Band Satellite Communications (Satcom)
- Point-to-Point Radio
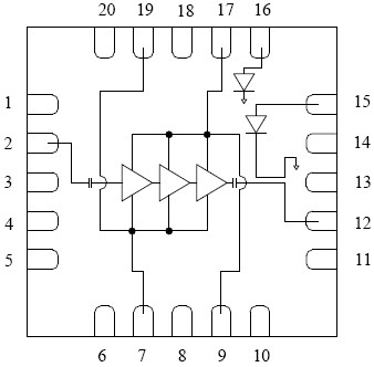
功能框图 Functional Block Diagram

|