HMC1022 0.25 Watt Power Amplifier Chip, DC - 48 GHz
The HMC1022 is a GaAs pHEMT MMIC Distributed Power Amplifier which operates between DC and 48 GHz. The amplifier provides 12 dB of gain, 32 dBm output IP3 and +22 dBm of output power at 1 dB gain compression while requiring 150 mA from a +10 V supply. The HMC1022 exhibits a slightly positive gain slope from 10 to 35 GHz, making it ideal for EW, ECM, Radar and test equipment applications. The HMC1022 amplifier I/Os are internally matched to 50 Ohms facilitating integration into Multi-Chip-Modules (MCMs). All data is taken with the chip connected via two 0.025 mm (1 mil) wire bonds of minimal length 0.31 mm (12 mils).
技术特性
- High P1dB Output Power: 22 dBm
- High Psat Output Power: 24 dBm
- High Gain: 12 dB
- High Output IP3: 32 dBm
- Supply Voltage: +10 V @ 150 mA
- 50 Ohm Matched Input/Output
- Die Size: 2.82 x 1.50 x 0.1 mm
应用领域 APPLICATION
- Test Instrumentation
- Microwave Radio & VSAT
- Military & Space
- Telecom Infrastructure
- Fiber Optics
|
技术指标
| Freq. (GHz) |
Function |
Gain (dB) |
OIP3 (dBm) |
NF (dB) |
P1dB (dBm) |
Bias Supply |
Package |
| DC - 48 |
Wideband Power Amplifier |
12 |
32 |
- |
22 |
+10V @ 150 mA |
Chip |
订购信息 Ordering Information
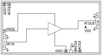
功能框图 Functional Block Diagram

|