HMC504LC4B Low Noise Amplifier SMT, 14 - 27 GHz
The HMC504LC4B is a GaAs MMIC Low Noise Wideband Amplifier housed in a leadless 4x4 mm ceramic surface mount package. The amplifier operates between 14 and 27 GHz, providing up to 19 dB of small signal gain, 2.2 dB noise figure, and output IP3 of +26 dBm, while requiring only 90 mA from a +4V supply. The P1dB output power of up to +17 dBm enables the LNA to function as a LO driver for balanced, I/Q or image reject mixers. The HMC504LC4B also features I/Os that are DC blocked and internally matched to 50 Ohms, making it ideal for high capacity microwave radios or VSAT applications. This versatile LNA is also available in die form as the HMC-ALH476.
技术特性
- Noise Figure: 2 dB @ 20 GHz
- Gain: 19 dB
- P1dB Output Power: +17 dBm
- Supply Voltage: +4V @ 90 mA
- Output IP3: +26 dBm
- 50 Ohm matched Input / Output
- 24 Lead 4x4mm SMT Package: 16mm²
订购信息 Ordering Information
应用领域 APPLICATION
- Point-to-Point Radios
- Point-to-Multi-Point Radios
- Military & Space
- Test Instrumentation
|
技术指标
| Freq. (GHz) |
Function |
Gain (dB) |
OIP3 (dBm) |
NF (dB) |
P1dB (dBm) |
Bias Supply |
Package |
| 14 - 27 |
Low Noise |
19.5 |
- |
2.2 |
17 |
+4V @ 90mA |
LC4B |
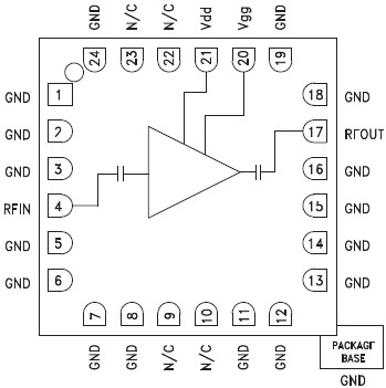
功能框图 Functional Block Diagram

|