HMC526 GaAs MMIC I/Q Mixer / IRM Chip, 6 - 10 GHz
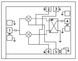
The HMC526 is a compact I/Q MMIC mixer which can be used as either an Image Reject Mixer or a Single Sideband Upconverter. The chip utilizes two standard Hittite double balanced mixer cells and a 90 degree hybrid fabricated in a GaAs MESFET process. All data shown below is taken with the chip mounted in a 50 Ohm test fixture and includes the effects of 1 mil diameter x 20 mil length bond wires on each port. A low frequency quadrature hybrid was used to produce a 100 MHz USB IF output. This product is a much smaller alternative to hybrid style Image Reject Mixers and Single Sideband Upconverter assemblies.
技术特性
- Wide IF Bandwidth: DC - 3.5 GHz
- Image Rejection: 40 dB
- LO to RF Isolation: 50 dB
- High Input IP3: +28 dBm
- Die Size: 1.49 x 1.14 x 0.1 mm
订购信息 Ordering Information
应用领域 APPLICATION
- Point-to-Point
- Point-to-Multi-Point Radio
- VSAT
- Military End Use
|
技术指标
| RF Freq. (GHz) |
Function |
IF Freq. (GHz) |
Conv. Gain (dB) |
Image Rejection (dB) |
IIP3 (dBm) |
Package |
| 6 - 10 |
I/Q Mixer / IRM |
DC - 3.5 |
-7.5 |
40 |
28 |
Chip |
s
功能框图 Functional Block Diagram

|