HMC727LC3C 13 Gbps Fast Rise Time D-Type Flip-Flop
The HMC727LC3C is a D-type Flip Flop designed to support data transmission rates of up to 13 Gbps, and clock frequencies as high as 13 GHz. During normal operation, data is transferred to the outputs on the positive edge of the clock. Reversing the clock inputs allows for negative-edge triggered applications. All input signals to the HMC727LC3C are terminated with 50 Ohms to ground on-chip, and maybe either AC or DC coupled. The differential outputs of the HMC727LC3C may be either AC or DC coupled. Outputs can be connected directly to a 50 Ohm to ground terminated system, while DC blocking capacitors may be used if the terminating system is 50 Ohms to a nonground DC voltage. The HMC727LC3C operates from a single -3.3V DC supply and is available in a ceramic RoHS compliant 3x3 mm SMT package.
技术特性
- Supports High Data Rates:
up to 13 Gbps
- Differential & Single-Ended Operation
- Fast Rise & Fall Times: 19 / 17 ps
- Low Power Consumption: 260 mW typ.
- Propagation Delay: 105 ps
- Single Supply: -3.3V
- 16 Lead Ceramic 3x3mm
SMT Package: 9mm²
订购信息 Ordering Information
应用领域 APPLICATION
- RF ATE Applications
- Broadband Test & Measurement
- Serial Data Transmission
up to 13 Gbps
- Digital Logic Systems up to 13 GHz
|
技术指标
Data/
Clock Rate (Gbps/GHz) |
Function |
Rise/Fall Time
(ps) |
Diff. Output Swing (Vp-p) |
DC Power Consumption (mW) |
DC Power Supply (Vdc) |
Package |
| 13 / 13 |
Fast Rise Time D-Type Flip-Flop |
19 / 17 |
1.1 |
260 |
-3.3 |
LC3C |
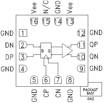
功能框图 Functional Block Diagram

|