RFDA2026 Digital Controlled Variable Gain Amplifier 1400MHz to 2700MHz, 6-bit 0.5dB LSB Control
RFMD's RFDA2026 is a digital controlled variable gain amplifier featuring high linearity over the entire gain control range with noise figure less than 4.1dB in its maximum gain state. The gain of the 6-bit digital step attenuator is programmed with a serial mode control interface (SPI). The RFDA2026 is packaged in a small 6.0mm x 6.0mm leadless laminate MCM, which contains plated through thermal vias for ultra low thermal resistance. This module is easy to use with no external matching components required.
技术特性 Features
- Frequency Range 1400MHz to 2700MHz
- 6-Bit digital step attenuator
- SPI serial control programming
- Max Gain = 32dB at 2GHz, and 29.3dB at 2.6GHz
- Gain control range = 31.5dB (0.5dB step size)
- High OIP3/P1dB = +42.5/25dBm
- Single +5V Supply
- Small 28-pin, 6.0mm x 6.0mm, MCM
- Power-up programming
应用领域 Applications
- Cellular, 3G Infrastructure
- WiBro, WiMax, LTE
- Microwave Radio
- High-Linearity Power Control
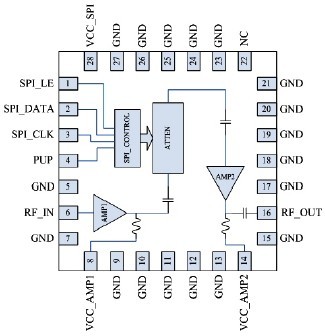
功能框图 Functional Block Diagram

|
技术指标
| Frequency Range (Min) (MHz): |
1400 |
| Frequency Range (Max) (MHz): |
2700 |
| Gain (dB): |
31.5 |
| NF (dB): |
4.1 |
| OP1dB (dBm): |
25 |
| OIP3 (dBm): |
42 |
| VSUPPLY (V): |
5 |
| ISUPPLY (mA): |
192 |
| Package: |
MCM |
RFDA2026 产品实物图

订购信息 Ordering Information
- RFDA2026SQ Sample bag with 25 pieces
- RFDA2026SR 7” Sample reel with 100 pieces
- RFDA2026TR7 7” Reel with 750 pieces
- RFDA2026TR13 13” Reel with 2500 pieces
- RFDA2026PCK-410 1.4GHz to 2.4GHz PCBA with 5-piece sample bag
- RFDA2026PCK-411 2.4GHz to 2.7GHz PCBA with 5-piece sample bag
|
订购信息 Ordering Information
| 订购型号 |
MOQ* |
INC* |
Packaging and Shipping Details |
QTY |
Per 1 EA |
| RFDA2026SQ |
25 EA |
25 EA |
Standard 25 Piece Bag Shipping From Beijing |
1+ |
$10.16 |
| RFDA2026SR |
100 EA |
100 EA |
Standard 100 Piece 7" Short Reel Shipping From Beijing |
100+ |
$7.10 |
| RFDA2026TR7 |
750 EA |
750 EA |
Standard 750 Piece 7" Reel Shipping From Greensboro |
750+ |
$4.73 |
| RFDA2026TR13 |
2500 EA |
2500 EA |
Standard 2500 Piece 13" Reel Shipping From Beijing |
|
|
| RFDA2026PCK-410 |
1 EA |
1 EA |
Standard 1 Shipping From Greensboro |
1+ |
$150.00 |