RFPA0133 GaAs HBT 380MHz to 960MHz Power Amplifier
The RFPA0133 is a 3V to 5V high efficiency programmable gain amplifier IC. The device is manufactured on an advanced Gallium Arsenide Heterojunction Bipolar Transistor (HBT) process. The device has been designed to offer saturated efficiency greater than 60% over a range of frequencies from 380MHz to 960MHz.
技术特性 Features
- Frequency Range 1710MHz to 1785MHz
- Internally Matched to 50Ω on All RF Ports
- Analog Voltage Variable Attenuator with 3.3V Control Range
- Bypass Mode of LNA for High Dynamic Range
- Max Gain = 35dB
- Noise Figure of 0.65dB Typical
- Gain Control Range = 35dB
- High IIP3 = 2dBm
- Single +5V Supply
- Small 16-Pin, 8.0mm x 8.0mm, Multi-Chip Module (MCM)
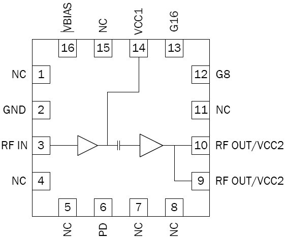
功能框图 Functional Block Diagram

|
技术指标
| Frequency Range (Min) (MHz): |
380 |
| Frequency Range (Max) (MHz): |
960 |
| Gain (dB): |
32 |
| OIP3 (dBm): |
34 |
| VSUPPLY (V): |
3.6 |
| ISUPPLY (mA): |
230 |
| Package: |
QFN |
| Small Signal Gain (dB): |
32 |
| Efficiency (%): |
63 |
应用领域 Applications
- Analog Communication Systems
- 900MHz Spread Spectrum Systems
- 400MHz Industrial Radios
- Driver Stage for Higher Power Applications
- 3V to 5V Applications
- High Isolation Buffer
订购信息 Ordering Information
- RFPA0133SQ Sample Bag with 25 Pieces
- RFPA0133SR 7” Reel with 100 Pieces
- RFPA0133TR7 7” Reel with 2500 Pieces
- RFPA0133PCK-410 860MHz to 930MHz PCBA with 5-piece Sample Bag
- RFPA0133PCK-411 430MHz to 470MHz PCBA with 5-piece Sample Bag
产品实物图

|
订购信息 Ordering Information
| 订购型号 |
MOQ* |
INC* |
Packaging and Shipping Details |
QTY |
Per 1 EA |
| RFPA0133PCK-410 |
1 EA |
1 EA |
Standard 1 Shipping From Greensboro |
1+ |
$150.00 |
| RFPA0133SQ |
25 EA |
25 EA |
Standard 25 Piece Bag Shipping From Greensboro |
1+ |
$4.58 |
| RFPA0133SR |
100 EA |
100 EA |
Standard 100 Piece 7" Short Reel Shipping From Greensboro |
100+ |
$3.20 |
| RFPA0133TR7 |
2500 EA |
2500 EA |
Standard 2500 Piece 7" Reel Shipping From Greensboro |
750+ |
$2.13 |
| RFPA0133PCK-411 |
1 EA |
1 EA |
Standard 1 Shipping From Greensboro |
1+ |
$150.00 |
| 应用技术支持与电子电路设计开发资源下载 |
大小(KB) |
版本信息 |
| RFPA0133 数据资料DataSheet下载:RFPA0133 PCS CDMA/TDMA/GSM1800 3V PA Driver Amplifier |
663 |
DS120206 |