RVA1007L Analog Controlled Variable Gain Amplifier
RFMD’s RVA1007L is a fully integrated analog controlled variable gain amplifier featuring exceptional linearity over a greater than 19dB gain control range. This variable gain amplifier is controlled by a single 0V to 3.3V positive supply voltage. The RVA1007L is packaged in a small 7mm x 7mm leadless laminate MCM which contains solid thermal vias for ultra low thermal resistance. This module is internally matched to 50Ω and is easy to use with no external matching components required.
技术特性 Features
- 690MHz to 810MHz Operation
- Gain = 24.5dB Typical
- Gain Adjustment Range >19dB
- ACPR = <-60dBc at +10dBm POUT (Dual Carrier WCDMA)
- Small 7mm x 7mm, Multi-Chip Module
应用领域 Applications
- Cellular, 3G and 4G Infrastructure
- WiBro, WiMax, LTE
- Microwave Radio
- High Linearity Power Control
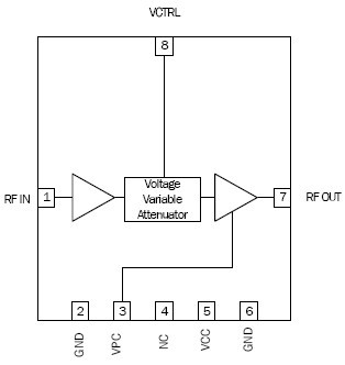
功能框图 Functional Block Diagram

|
技术指标
| Frequency Range (Min) (MHz): |
680 |
| Frequency Range (Max) (MHz): |
810 |
| Gain (dB): |
24.5 |
| NF (dB): |
5.2 |
| OP1dB (dBm): |
28 |
| OIP3 (dBm): |
43.5 |
| VSUPPLY (V): |
5 |
| ISUPPLY (mA): |
460 |
| Package: |
MCM |
产品实物图

订购信息 Ordering Information
- RVA1007LSQ Sample bag with 25 pieces
- RVA1007LSR 7” Sample reel with 100 pieces
- RVA1007LTR7 7” Reel with 1500 pieces
- RVA1007LTR13 13” Reel with 2500 pieces
- RVA1007LPCK-410 680MHz to 810MHz PCBA with 5-piece sample bag
|
订购信息 Ordering Information
| 订购型号 |
MOQ* |
INC* |
Packaging and Shipping Details |
QTY |
Per 1 EA |
| RVA1007LSQ |
25 EA |
25 EA |
Standard 25 Piece Bag Shipping From Greensboro |
1+ |
$18.94 |
| RVA1007LSR |
100 EA |
100 EA |
Standard 100 Piece 7" Short Reel Shipping From Greensboro |
100+ |
$13.24 |
| RVA1007LTR13 |
2500 EA |
2500 EA |
Standard 2500 Piece 13" Reel Shipping From Greensboro |
750+ |
$8.83 |
| RVA1007LPCK-410 |
1 EA |
1 EA |
Standard 1 Shipping From Greensboro |
1+ |
$150.00 |
| 应用技术支持与电子电路设计开发资源下载 |
大小(KB) |
版本信息 |
| RVA1007L 数据资料DataSheet下载:RVA1007L PCS CDMA/TDMA/GSM1800 3V PA Driver Amplifier |
1106 |
DS111021 |