S518324-44Z Upstream Cable Line Driver
The S518324 is a high performance, CMOS, low power programmable power amplifier designed for use in CATV upstream applications. The amplifier operates over a frequency range from 5MHz to 65MHz and has a maximum output of 61dBmV. A 3-wire serial interface controls the gain over a 63.5dB range in 0.5dB steps. The S518324 is available in a thermally enhanced QFN, 20-Pin, 4mm x 4mm. Meets DOCSIS 3.0 specifications including four-channel bonding (F = 25.6 MHz for four 6.4MHz bonded US channels) up to a maximum RF output of +54dBmV.
技术特性 Features
- Single 3.3V Supply Operation
- Low Power Consumption: 143mA Typical
- 63db Dynamic Range:
-2.5dBm To 61dBmV Output
- Excellent Linearity
2nd/3rd Harmonics > 60dBc Typical
- Programmable Gain In 0.5dB Steps
- Ultra Low On/Off Transients
- DOCSIS 2.0 & EuroDOCSIS 2.0 Compliant
- DOCSIS 3.0 compliant to a maximum of +54dBmV RF power output (64-QAM signal, 25.6MHz channel bonded bandwidth using four 6.4MHz bonded channels)
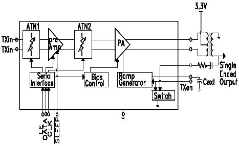
功能框图 Functional Block Diagram

|
技术指标
| Frequency Range (Min) (MHz): |
5 |
| Frequency Range (Max) (MHz): |
65 |
| Gain (dB): |
-32 to 31 |
| VSUPPLY (V): |
3.3 |
| ISUPPLY (mA): |
143 |
| Package: |
QFN |
应用领域 Applications
- Set-Top Boxes
- Cable Telephony
- Cable Modems
- CATV Infrastructure
订购信息 Ordering Information
- S518324-44ZSQ Sample bag with 25 pieces
- S518324-44ZSR 7" Reel with 100 pieces
- S518324-44ZTR7 7" Reel with 750 pieces
- S518324-44ZTR13 13" Reel with 2500 pieces
- S518324-44ZPCK-410 5MHz to 65MHz PCBA with 5-piece sample bag
产品实物图

|
订购信息 Ordering Information
| 订购型号 |
MOQ* |
INC* |
Packaging and Shipping Details |
QTY |
Per 1 EA |
| S51832444ZTR7 |
750 EA |
750 EA |
Standard 750 Piece 7" Reel Shipping From Greensboro |
1+ |
$5.00 |
| |
|
|
|
100+ |
$3.51 |
| |
|
|
|
750+ |
$1.87 |