SDA-4000 GaAs Distributed Amplifier Die
RFMD’s SDA-4000 is a directly coupled (DC) GaAs microwave monolithic integrated circuit (MMIC) driver amplifier die. It is designed for use as an electro-absorptive modulated laser (EML) driver employing single-ended (SE) architectures with Vπ (Vpi) ranging from 2V to 5V and as a clock driver for return-to-zero (RZ) and carrier select (CS) carver modulators. It can also be used for broadband automated test equipment (ATE) instrumentation military and aerospace applications.
技术特性 Features
- DC to 32GHz Operation
- 22dBm P3dB
- Gain = 15dB Typical
- Noise Figure ≤ 3.0dB
- Output Voltage to 5VPP
- Single Supply Voltage
- 160mA Total Current
订购信息 Ordering Information
- SDA4000 GaAs distributed amplifier, 32GHz,3.10mmx1.45mm die
GelPak 10 pcs or more
- SDA4000SB GaAs distributed amplifier, 32GHz,3.10mmx1.45mm die
GelPak 2 pcs
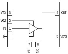
功能框图 Functional Block Diagram

|
技术指标
| Frequency Range (Min) (MHz): |
0 |
| Frequency Range (Max) (MHz): |
32000 |
| Gain (dB): |
14.5 |
| NF (dB): |
3.2 |
| OP1dB (dBm): |
18 |
| OIP3 (dBm): |
27 |
| VSUPPLY (V): |
5 |
| ISUPPLY (mA): |
160 |
| Package: |
Die |
应用领域 Applications
- Driver for Single-ended (SE) EML
- Clock Driver for RZ and CS Pulse Carver
- Broadband ATE
- Instrumentation
- Military
- Aerospace
|
订购信息 Ordering Information
| SDA4000 |
10 EA |
10 EA |
Standard 10 Piece Waffle Pack Shipping From Broomfield |
1+ |
$147.00 |
| |
|
|
|
25+ |
$122.61 |
| |
|
|
|
100+ |
$102.26 |