SGB-2233(Z) Active Bias Gain Block
The SGB-2233 is a high performance DC-4500 MHz SiGe HBT MMIC Gain Block. It utilizes a Darlington configuration with an active bias network. The active bias network provides stable current over temperature eliminating the need for a dropping resistor. It is designed to run directly from a 3V to 5V supply and features low thermal resistance and unconditional stability. The SGB-2233 is internally matched to 50 ohms.
技术特性 Features
- On-Chip Active Bias Control
- No Drop Resistor Required
- 3 x 3 QFN 16 Pin Package
- IP3: +19.0 dBm @ 1950 MHz
- Gain: +12.9 dB @ 1950 MHz
- Robust Class 1C ESD Rating
应用领域 Applications
- 3V Battery Operated Applications
- LO Buffer Amp
- RF Pre-Driver and RF Receive Path
SGB-2233(Z) 产品实物图

订购信息 Ordering Information
- SGB-2233 13” 3000
- SGB-2233Z 13” 3000
|
技术指标
| Frequency Range (Min) (MHz): |
0 |
| Frequency Range (Max) (MHz): |
4500 |
| Gain (dB): |
12.9 |
| NF (dB): |
4.2 |
| OP1dB (dBm): |
6.7 |
| OIP3 (dBm): |
19 |
| VSUPPLY (V): |
4 |
| ISUPPLY (mA): |
25 |
| Package: |
QFN |
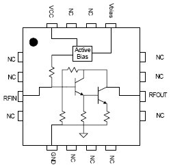
功能框图 Functional Block Diagram

|
订购信息 Ordering Information
| 订购型号 |
MOQ* |
INC* |
Packaging and Shipping Details |
QTY |
Per 1 EA |
| SGB2233ZSQ |
25 EA |
25 EA |
Standard 25 Piece Bag Shipping From Beijing |
1+ |
$1.18 |
| SGB2233ZSR |
100 EA |
100 EA |
Standard 100 Piece 7" Short Reel Shipping From Beijing |
100+ |
$1.00 |
| SGB2233Z |
3000 EA |
3000 EA |
Standard 3000 Piece 13" Reel Shipping From Beijing |
750+ |
$0.85 |
| SGB2233Z-EVB1 |
1 EA |
1 EA |
Standard 1 Piece 13" Reel Shipping From Greensboro |
1+ |
$150.00 |