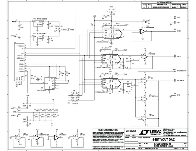
DC1096B - Demo Board for:LTC2641-16-/14-/12-Bit VOUT DACs in 3mm × 3mm DFNLTC2641-14 - 14-Bit Vout DAC in 3mm x 3mm DFNLTC2641-16 - 16-Bit Vout DAC in 3mm × 3mm DFNLTC2642-16 - 16-Bit Vout DAC in 3mm x 3mm DFNLTC2642-14 - 14-Bit Vout DAC in 3mm x 3mm DFNLTC2642- 16-/14-/12-Bit VOUT DACs in 3mm × 3mm DFN

DC2026C - Linduino One Isolated USB Demo Board: An Arduino- and QuikEval-Compatible Code Development PlatformDC590B - Isolated USB Serial Controller for Linear Technology QuikEval-Compatible Demo Boards