54S151 / 74S151 特点:
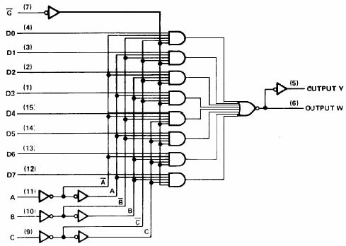
逻辑图

说明:
这种单片数据选择器包含全芯片的二进制译码,以便从 8个数据中选择 1个数据输出。它具有一个选通输入
,为使器件赋能,选通输入必须接低电平。选通处于高电平时将使 W输出为高电平,而使 Y输出为低电平,电路无效。
W输出端和 Y输出端互补。
推荐工作条件
| 符号 | 参数名称 | 74S151 | 54 | 单位 | ||||
|---|---|---|---|---|---|---|---|---|
| 最小 | 典型 | 最大 | 最小 | 典型 | 最大 | |||
| Vcc | 电源电压 | 4.75 | 5 | 5.25 | 4.5 | 5 | 5.5 | V |
| VIH | 输入高电平电压 | 2.0 | 2.0 | V | ||||
| VIL | 输入低电平电压 | 0.8 | 0.8 | V | ||||
| IOH | 输出高电平电流 | -1.0 | -1.0 | mA | ||||
| IOL | 输出低电平电流 | 20 | 20 | mA | ||||
| TA | 工作环境温度 | -40 | 85 | -55 | 125 | ℃ | ||
电 性 能:(除特别说明外,均为全温度范围)
| 符号 | 参数名称 | 测试条件 | 74S151 | 54S151 | 单位 | ||||
|---|---|---|---|---|---|---|---|---|---|
| 最小 | 典型 | 最大 | 最小 | 典型 | 最大 | ||||
| VIK | 输入钳位电压 | Vcc=最小 II =-18mA | -1.2 | -1.2 | V | ||||
| VOH | 输出高电平电压 | Vcc=最小 VIL =最大 VIH=2V IOH =最大 | 2.7 | 2.5 | 3.4 | V | |||
| VOL | 输出低电平电压 | Vcc=最小 VIL=最大 VIH=2V IOL=最大 | 0.5 | 0.5 | V | ||||
| II | 输入电流 (最大输入电压时 ) | Vcc=最大 VI=5.5V | 1.0 | 1.0 | mA | ||||
| IIH | 输入高电平电流 | Vcc=最大 VI=2.7V | 50 | 50 | μA | ||||
| IIL | 输入低电平电流 | Vcc=最大 VI=0.5V | -2.0 | -2.0 | mA | ||||
| IOS | 输出短路电流 | Vcc=最大 VO=0V | -40 | -100 | -40 | -100 | mA | ||
| ICC | 电源电流 | Vcc=最大 (注) | 70 | 45 | 70 | mA | |||
注:在所有输出开路,所有输入端加 4.5V条件下测 Icc。所有典型值均在 Vcc=5.0V, TA=25℃下测量得出。
交流(开关)参数:Vcc=5.0V, TA=25℃
| 符号 | 参数名称 | 从(输入) | 到(输出) | 测试条件 | 参数值 | 单位 | ||
|---|---|---|---|---|---|---|---|---|
| 最小 | 典型 | 最大 | ||||||
| tPLH | 传输延迟时间 | A、B或 C | Y | 12 | 18 | ns | ||
| tPHL | 传输延迟时间 | (4级) | 12 | 18 | ||||
| tPLH | 传输延迟时间 | A、B或 C | W | 10 | 15 | ns | ||
| tPHL | 传输延迟时间 | (3级) | 9 | 13.5 | ||||
| tPLH | 传输延迟时间 | Y | CL=15pF | 11 | 16.5 | ns | ||
| tPHL | 传输延迟时间 | 选通 | 12 | 18 | ||||
| tPLH | 传输延迟时间 | W | RL=280Ω | 9 | 13 | ns | ||
| tPHL | 传输延迟时间 | 选通 | 8.5 | 12 | ||||
| tPLH | 传输延迟时间 | 任一 D | Y | 8 | 12 | ns | ||
| tPHL | 传输延迟时间 | 8 | 12 | |||||
| tPLH | 传输延迟时间 | 任一 D | W | 4.5 | 7 | ns | ||
| tPHL | 传输延迟时间 | 4.5 | 7 | |||||