54S153 / 74S153 特点:

功能表
| 选择输入 | 数 | 据 | 输 | 入 | 选通输入 | 输出 |
| B A | C0 | C1 | C2 | C3 | Y | |
| × × | × | × | × | × | H | L |
| L L | L | × | × | × | L | L |
| L L | H | × | × | × | L | H |
| L H | × | L | × | × | L | L |
| L H | × | H | × | × | L | H |
| H L | × | × | L | × | L | L |
| H L | × | × | H | × | L | H |
| H H | × | × | × | L | L | L |
| H H | × | × | × | H | L | H |
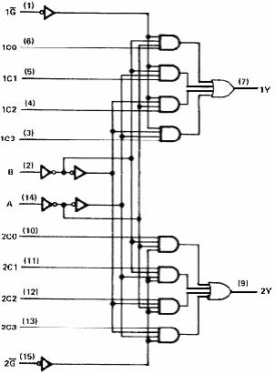
选择输入 A和 B,对两部分是公共的。 H=高电平 L=低电平 ×=不定
说明: 这种单片数据选择器/复工器的每一部分都有倒相器和驱动器,使与或非门可以对补码、在片的二进制译码数据进行选择。两个四选一单元都有各自的选通
输入。
推荐工作条件
| 符号 | 参数名称 | 74S153 | 54 | 单位 | ||||
|---|---|---|---|---|---|---|---|---|
| 最小 | 典型 | 最大 | 最小 | 典型 | 最大 | |||
| Vcc | 电源电压 | 4.75 | 5 | 5.25 | 4.5 | 5 | 5.5 | V |
| VIH | 输入高电平电压 | 2.0 | 2.0 | V | ||||
| VIL | 输入低电平电压 | 0.8 | 0.8 | V | ||||
| IOH | 输出高电平电流 | -1.0 | -1.0 | mA | ||||
| IOL | 输出低电平电流 | 20 | 20 | mA | ||||
| TA | 工作环境温度 | -40 | 85 | -55 | 125 | ℃ | ||
电 性 能:(除特别说明外,均为全温度范围)
| 符号 | 参数名称 | 测试条件 | 74S153 | 54S153 | 单位 | ||||
|---|---|---|---|---|---|---|---|---|---|
| 最小 | 典型 | 最大 | 最小 | 典型 | 最大 | ||||
| VIK | 输入钳位电压 | Vcc=最小 II=-18mA | -1.2 | -1.2 | V | ||||
| VOH | 输出高电平电压 | Vcc=最小 VIL =最大 VIH=2V IOH=最大 | 2.7 | 2.5 | 3.4 | V | |||
| VOL | 输出低电平电压 | Vcc=最小 VIL=最大 VIH=2V IOL =最大 | 0.5 | 0.5 | V | ||||
| II | 输入电流 (最大输入电压时 ) | Vcc=最大 VI=5.5V | 1.0 | 1.0 | mA | ||||
| IIH | 输入高电平电流 | Vcc=最大 VI=2.7V | 50 | 50 | μA | ||||
| IIL | 输入低电平电流 | Vcc=最大 VI=0.5V | -2.0 | -2.0 | mA | ||||
| IOS | 输出短路电流 | Vcc=最大 VO=0V | -40 | -100 | -40 | -100 | mA | ||
| ICC | 电源电流 | Vcc=最大(注) | 70 | 45 | 70 | mA | |||
注: Icc测量时,所有输出开路,所有输入接地。所有典型值均在 Vcc=5.0V, TA=25℃下测量得出。交流(开关)参数:Vcc=5.0V, TA=25℃
| 符号 | 参数名称 | 从(输入) | 到(输出) | 测试条件 | 参数值 | 单位 | ||
|---|---|---|---|---|---|---|---|---|
| 最小 | 典型 | 最大 | ||||||
| tPLH | 传输延迟时间 | 数据 C | 6 | 9 | ns | |||
| tPHL | 传输延迟时间 | CL=15pF | 6 | 9 | ||||
| tPLH | 传输延迟时间 | 选择 A、B | Y | 11.5 | 18 | ns | ||
| tPHL | 传输延迟时间 | RL=280Ω | 12 | 18 | ||||
| tPLH | 传输延迟时间 | 选通 | 10 | 15 | ns | |||
| tPHL | 传输延迟时间 | 9 | 13.5 | |||||