54S157 / 74S157 特点:
功能表
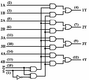
外引线排列图
H=高电平 L=低电平 ×=不定
说明:
S157包含反相器和驱动器,向四个输出门提供数据选择。设有一个选通输入端(
),当选通输入
为低电平时,允许输出。选择端 S控制从两个四位数选择一个四位数输出。
S157输出原码数据。
推荐工作条件
| 符号 | 参数名称 | 74S157 | 54 | 单位 | ||||
|---|---|---|---|---|---|---|---|---|
| 最小 | 典型 | 最大 | 最小 | 典型 | 最大 | |||
| Vcc | 电源电压 | 4.75 | 5 | 5.25 | 4.5 | 5 | 5.5 | V |
| VIH | 输入高电平电压 | 2.0 | 2.0 | V | ||||
| VIL | 输入低电平电压 | 0.8 | 0.8 | V | ||||
| IOH | 输出高电平电流 | -1.0 | -1.0 | mA | ||||
| IOL | 输出低电平电流 | 20 | 20 | mA | ||||
| TA | 工作环境温度 | -40 | 85 | -55 | 125 | ℃ | ||
电 性 能:(除特别说明外,均为全温度范围)
| 符号 | 参数名称 | 测试条件 | 74S157 | 54S157 | 单位 | |||||
|---|---|---|---|---|---|---|---|---|---|---|
| 最小 | 典型 | 最大 | 最小 | 典型 | 最大 | |||||
| VIK | 输入钳位电压 | Vcc=最小 II=-18mA | -1.2 | -1.2 | V | |||||
| VOH | 输出高电平电压 | Vcc=最小 VIL=最大 VIH=2V IOH=最大 | 2.7 | 2.5 | 3.4 | V | ||||
| VOL | 输出低电平电压 | Vcc=最小 VIL =最大 VIH=2V IOL =最大 | 0.5 | 0.5 | V | |||||
| II | 输入电流 (最大输入电压时 ) | Vcc=最大 VI =5.5V | 1.0 | 1.0 | mA | |||||
| IIH | 输入高电平电流 | Vcc=最大 VI=2.7V | S、 | 100 | 100 | μA | ||||
| A、B | 50 | 50 | ||||||||
| IIL | 输入低电平电流 | Vcc=最大 VI =0.5V | S、 | -4 | -4 | mA | ||||
| A、B | -2 | -2 | ||||||||
| IOS | 输出短路电流 | Vcc=最大 VO=0V | -40 | -100 | -40 | -100 | mA | |||
| ICC | 电源电流 | Vcc=最大 (注) | 78 | 50 | 78 | mA | ||||
注:在所有输出开路,所有输入端加 4.5V条件下测 Icc。所有典型值均在 Vcc=5.0V, TA=25℃下测量得出。交流(开关)参数:Vcc=5.0V, TA=25℃
| 符号 | 参数名称 | 从(输入) | 到(输出) | 测试条件 | 参数值 | 单位 | ||
|---|---|---|---|---|---|---|---|---|
| 最小 | 典型 | 最大 | ||||||
| tPLH | 传输延迟时间 | 数据 A、B | 5 | 7.5 | ns | |||
| tPHL | 传输延迟时间 | CL=15pF | 4.5 | 6.5 | ns | |||
| tPLH | 传输延迟时间 | 选通 | Y | 8.5 | 12.5 | ns | ||
| tPHL | 传输延迟时间 | RL=280Ω | 7.5 | 12 | ns | |||
| tPLH | 传输延迟时间 | 选择 S | 9.5 | 15 | ns | |||
| tPHL | 传输延迟时间 | 9.5 | 15 | ns | ||||