54S195 / 74S195 特点:
说明:
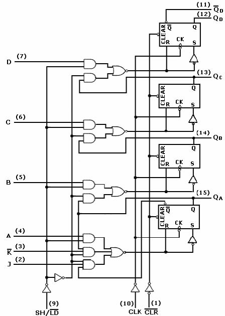
本电路具有并行输入、并行输出、J—
串行输入、移位/置数控制输入和无条件直接清除。全部输入都加有缓冲器,以降低对输入驱动的要求,电路有两种操作模式:
并行(并排)寄存(置数)
移位(方向 QA到 OD)
完成并行置数是通过加 4个数据位并使移位/置数控制输入为低电平来实现的。将数据输入到相应的触发器上,并在时钟输入的正跃变之后出现在输出端上。在寄存期间,串行数据流被禁止。
当移位/置数控制输入为高电平时,同步地完成移位。这种串行方式的数据是在 J—
输入端上送入的。这些输入端允许电路的第一级去执行 J—
、D型或 T型触发器的功能。
逻辑图
典型清除、移位时序
推荐工作条件
| 符号 | 参数名称 | 74S195 | 54 | 单位 | |||||
|---|---|---|---|---|---|---|---|---|---|
| 最小 | 典型 | 最大 | 最小 | 典型 | 最大 | ||||
| Vcc | 电源电压 | 4.75 | 5 | 5.25 | 4.5 | 5 | 5.5 | V | |
| VIH | 输入高电平电压 | 2.0 | 2.0 | V | |||||
| VIL | 输入低电平电压 | 0.8 | 0.8 | V | |||||
| IOH | 输出高电平电流 | -1000 | -1000 | μA | |||||
| IOL | 输出低电平电流 | 20 | 20 | mA | |||||
| fCK | 时钟频率 | 0 | 70 | 0 | 70 | MHz | |||
| tW | 脉冲宽度 | 时钟输入 | 7 | 7 | ns | ||||
| 清除输入 | 12 | 12 | |||||||
| 移位/置数 | 11 | 11 | ns | ||||||
| tsu | 数据建立时间 | 串行、并行数据 | 5 | 5 | |||||
| 清除无效态 | 9 | 9 | |||||||
| tre | 移位/置数恢复时间 | 6 | 6 | ns | |||||
| th | 串行/并行数据保持时间 | 3 | 3 | ns | |||||
| TA | 工作环境温度 | -40 | 85 | -55 | 125 | ℃ | |||
电 性 能:(除特别说明外,均为全温度范围)
| 符号 | 参数名称 | 测试条件 | 74S195 | 54S195 | 单位 | ||||
|---|---|---|---|---|---|---|---|---|---|
| 最小 | 典型 | 最大 | 最小 | 典型 | 最大 | ||||
| VIK | 输入钳位电压 | Vcc=最小 II =-18mA | -1.5 | -1.5 | V | ||||
| VOH | 输出高电平电压 | Vcc=最小 VIL =最大 VIH=2V IOH =最大 | 2.7 | 2.5 | 3.4 | V | |||
| VOL | 输出低电平电压 | Vcc=最小 VIL =最大 VIH=2V IOL =最大 | 0.5 | 0.5 | V | ||||
| II | 输入电流 (最大输入电压时 ) | Vcc=最大 VI=5.5V | 1 | 1 | mA | ||||
| IIH | 输入高电平电流 | Vcc=最大 VI=2.7V | 50 | 50 | μA | ||||
| IIL | 输入低电平电流 | Vcc=最大 VI=0.5V | -2 | -2 | mA | ||||
| IOS | 输出短路电流 | Vcc=最大 VO=0V | -40 | -100 | -40 | -100 | mA | ||
| ICC | 电源电流 | Vcc=最大(注) | 109 | 70 | 99 | mA | |||
注:测 Icc时,所有输出开路,移位 /置数
输入接地, J、K和并行数据 A、B、C、 D接 4.5V,先将清除端瞬时接地再接 4.5V,然后将时钟输入端先瞬时接地再接 4.5V。所有典型值均在 Vcc=5.0V, TA=25℃下测量得出。交流(开关)参数:Vcc=5.0V, TA=25℃
| 符号 | 参数名称 | 从(输入) | 到(输出) | 测试条件 | 参数值 | 单位 | ||
|---|---|---|---|---|---|---|---|---|
| 最小 | 典型 | 最大 | ||||||
| fmax | 最大时钟频率 | 时钟 CLK | 70 | 105 | MHz | |||
| tPHL | 传输延迟时间 | 清零 | 任一输出 | CL=15pF | 12.5 | 18.5 | ns | |
| tPLH | 传输延迟时间 | 时钟 CLK | 8 | 12 | ns | |||
| tPHL | 传输延迟时间 | RL=2kΩ | 11 | 16.5 | ns | |||