54S196 / 74S196 STTL型可预置十进制计数器/锁存器

54S196 / 74S196 特点

功能表

(工作)方式选择表

  输入   工作模式
清除 计数/置数 时钟 CLK
L × × 清零(复位)
H L × 置数(预置)
H H 计数

H=高电平 L=低电平×=不定(高或低电平)

↓=由“高”→“低”电平的跃变

BCD计数时序(见注 A)二——五进制计数时序(见注 B)

计数 输出
QD QC QB QA
0 L L L L
1 L L L H
2 L L H L
3 L L H H
4 L H L L
5 L H L H
6 L H H L
7 L H H H
8 H L L L
9 H L L H
计数输出
QA QD QC QB
0LLLL
1LLLH
2LLHL
3LLHH
4LHLL
5HLLL
6HLLH
7HLHL
8HLHH
9HHLL

注 A:输出 QA接 CLK2时钟输入端。 注 B:输出 QD接 CLK1时钟输入端。

说明:

这种可预置十进计数器是由四个直接耦合主从触发器组成,通过内部互连组成一个 2分频和一个 5分频计数器。这种四位计数器是可全编程的,即可通过在计数 /置数输入上加一低电平,并在数据输入端加上所需的数据,就可将输出预置到任何电平。这些输出将随数据输入而变化,不受时钟状态的影响。

在计数操作期间,信号将在时钟脉冲的下跃变边沿传输到输出。这种计数器采用直接清除,当直接清除端是低电平时,则所有输出都为低电平,而不管时钟是什么状态。

假如将计数 /置数输入当选通使用并将数据送入数据输入端,则这种计数器也可做 4位寄存器使用。当计数 /置数输入端为低电平时,输出将直接随数据输入而变,但当计数/置数输入为高电平时且时钟处于无效状态时,输出将保持不变。

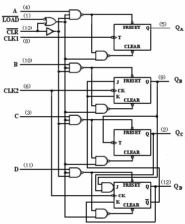
所有输入端都用二极管箝位,以尽量减小传输线的影响,简化系统设计。本电路与大多数 TTL和 DTL逻辑系列相容。逻辑图

推荐工作条件

符号  参数名称  74S196  54S196  单位
最小 典型 最大 最小 典型 最大
Vcc 电源电压 4.75 5 5.25 4.5 5 5.5 V
VIH 输入高电平电压 2.0     2.0     V
VIL 输入低电平电压     0.8     0.8 V
IOH 输出高电平电流     -1000     -1000 μA
IOL 输出低电平电流     20     20 mA
fCK 时钟频率 时钟 1 0   100 0   100 MHz
时钟 2 0   50 0   50
    时钟 1 5     5     ns
tW 脉冲宽度 时钟 2 10     10    
清除 30     30    
    置数 5     5    
tsu 建立时间 高电平数据 3     3     ns
低电平数据 3     3    
th 保持时间 高电平数据 6     6     ns
低电平数据 6     6    
ten 计数使能时间 时钟 1 12     12     ns
时钟 2 24     24    
TA 工作环境温度 -40   85 -55   125

电 性 能(除特别说明外,均为全温度范围)

符号  参数名称  测试条件 74S196 54S196 单位
最小 典型 最大 最小 典型 最大
VIK 输入钳位电压 Vcc=最小 II =-18mA     -1.2     -1.2 V
VOH 输出高电平电压 Vcc=最小 VIL =最大 VIH=2V IOH =最大 2.7     2.5 3.4   V
VOL 输出低电平电压(注 2) Vcc=最小 VIL=最大 VIH=2V IOL=最大     0.5     0.5 V
II 输入电流 (最大输入电压时 ) Vcc=最大 VI=5.5V     1.0     1.0 mA
IIH 输入高电平电流 Vcc=最大 VI=2.7V CLK1、CLK2     150     150 μA
其它     50     50
      其它     -0.75     -0.75 mA
IIL 输入低电平电流 Vcc=最大 VI=0.5V     -1.5     -1.5
CLK1     -8     -8
      CLK2     -10     -10
IOS 输出短路电流 Vcc=最大 VO=0V -30   -110 -30   -110 mA
ICC 电源电流 Vcc=最大(注 1)     120   75 110 mA

注 1:测 ICC时,所有输出开路 , 所有输入接地。注 2:QA输出的测试条件是规定的 IOL加上时钟 2(CLK2)输入的 IIL极限值。这样可以驱动时钟 2输入端而同时保持全扇出能力。

所有典型值均在 Vcc=5.0V, TA=25℃下测量得出。

交流(开关)参数 (Vcc=5.0V, TA=25℃)

符号 参数名称 从(输入) 到(输出) 测试条件  参数值  单位
最小 典型 最大
fmax 最大时钟频率 CLK1 QA   100 140   MHz
tPLH 传输延迟时间 时钟 1 QA     5 10 ns
tPHL 传输延迟时间 CLK1       6 10
tPLH 传输延迟时间 时钟 2 QB     5 10 ns
tPHL 传输延迟时间 CLK2       8 12
tPLH 传输延迟时间 时钟 2 QC     12 18 ns
tPHL 传输延迟时间 CLK2   CL=15pF   16 24
tPLH 传输延迟时间 时钟 2 QD     5 10 ns
tPHL 传输延迟时间 CLK2   RL=280Ω   8 12
tPLH 传输延迟时间 数据 QA、QB、     7 12 ns
tPHL 传输延迟时间 A、B、C、D QC、QD     12 18
tPLH 传输延迟时间 计数/置数       10 18 ns
tPHL 传输延迟时间 任一 Q     12 18
tPHL 传输延迟时间 清零 任一 Q     26 37 ns
54S196 / 74S196 技术支持