54S20 / 74S20 典型参数:tpd=3ns Pd=19mW/每门
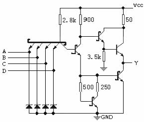
逻辑符号

逻辑式: Y = A·B·C·D
逻辑表:
| 输入 | 输出 | ||
| A | B C | D | Y |
| H | H H | H | L |
| L | × × | × | H |
| × | L × | × | H |
| × | × L | × | H |
| × | × × | L | H |
NC:空脚
推荐工作条件
| 符号 | 参数名称 | 74S20 | 54S20 | 单位 | ||||
|---|---|---|---|---|---|---|---|---|
| 最小 | 典型 | 最大 | 最小 | 典型 | 最大 | |||
| Vcc | 电源电压 | 4.75 | 5 | 5.25 | 4.5 | 5 | 5.5 | V |
| VIH | 输入高电平电压 | 2 | 2 | V | ||||
| VIL | 输入低电平电压 | 0.8 | 0.8 | V | ||||
| IOH | 输出高电平电流 | -1.0 | -1.0 | mA | ||||
| IOL | 输出低电平电流 | 20 | 20 | mA | ||||
| TA | 工作环境温度 | -40 | 85 | -55 | 125 | ℃ | ||
电 性 能:(除特别说明外,均为全温度范围)
| 符号 | 参数名称 | 测试条件 | 74S20 | 54S20 | 单位 | ||||
|---|---|---|---|---|---|---|---|---|---|
| 最小 | 典型 | 最大 | 最小 | 典型 | 最大 | ||||
| VIK | 输入钳位电压 | Vcc=最小 II=-18mA | -1.2 | -1.2 | V | ||||
| VOH | 输出高电平电压 | Vcc=最小 VIL =最大 IOH =最大 | 2.7 | 2.5 | 3.4 | V | |||
| VOL | 输出低电平电压 | Vcc=最小 VIH=2V IOL=最大 | 0.5 | 0.5 | V | ||||
| II | 输入电流 (最大输入电压时 ) | Vcc=最大 VI=5.5V | 1 | 1 | mA | ||||
| IIH | 输入高电平电流 | Vcc=最大 VI=2.7V | 50 | 50 | μA | ||||
| IIL | 输入低电平电流 | Vcc=最大 VI=0.5V | -2 | -2 | mA | ||||
| IOS | 输出短路电流 | Vcc=最大 VO=0V | -40 | -100 | -40 | -100 | mA | ||
| ICCH | 高电平电源电流 | Vcc=最大 VI=0V | 8 | 5 | 8 | mA | |||
| ICCL | 低电平电源电流 | Vcc=最大 VI=4.5V | 18 | 10 | 18 | mA | |||
注:所有典型值均在 Vcc=5.0V, TA=25℃下测量得出。交流(开关)参数:Vcc=5.0V, TA=25℃
| 符号 | 参数名称 | 从(输入) | 到(输出) | 测试条件 | 参数值 | 单位 | ||
|---|---|---|---|---|---|---|---|---|
| 最小 | 典型 | 最大 | ||||||
| tPLH | 传输延迟 | A、B、C或 D | Y | 3 | 4.5 | ns | ||
| tPHL | 传输延迟 | A、B、C或 D | Y | CL=15pF RL=280Ω | 3 | 5 | ns | |
| tPLH | 传输延迟 | A、B、C或 D | Y | 4.5 | ns | |||
| tPHL | 传输延迟 | A、B、C或 D | Y | CL=50pF RL=280Ω | 5 | ns | ||