54S251 / 74S251 特点:
说明:
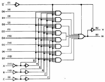
这种单片数据选择器/多路调制器包含有全在片译码功能,可以对 8选 1的数据源进行选择,并有选通控制三态输出。选通
必须处于低逻辑电平才能使能本电路。有了三态输出,便可将多个输出端接到公用总线上。当选通
输入为“高”时,两输出端都处于高阻态,这时图腾柱输出电路上下两个晶体管都截止,输出既不能有效驱动总线也不能有效地对总线加上负载。当选通
输入为低时,则允许输出,并如标准 TTL图腾柱输出那样工作。
为了尽力避免两个相反逻辑电平的输出端占用一根公共总线,将输出控制电路设计成平均输出禁止时间更短于输出的平均赋能时间。
推荐工作条件
| 符号 | 参数名称 | 74S251 | 54S251 | 单位 | ||||
|---|---|---|---|---|---|---|---|---|
| 最小 | 典型 | 最大 | 最小 | 典型 | 最大 | |||
| Vcc | 电源电压 | 4.75 | 5 | 5.25 | 4.5 | 5 | 5.5 | V |
| VIH | 输入高电平电压 | 2.0 | 2.0 | V | ||||
| VIL | 输入低电平电压 | 0.8 | 0.8 | V | ||||
| IOH | 输出高电平电流 | -6.5 | -2.0 | mA | ||||
| IOL | 输出低电平电流 | 20 | 20 | mA | ||||
| TA | 工作环境温度 | -40 | 85 | -55 | 125 | ℃ | ||
电 性 能:(除特别说明外,均为全温度范围)
| 符号 | 参数名称 | 测试条件 | 74S251 | 54S251 | 单位 | ||||
|---|---|---|---|---|---|---|---|---|---|
| 最小 | 典型 | 最大 | 最小 | 典型 | 最大 | ||||
| VIK | 输入钳位电压 | Vcc=最小 II=-18mA | -1.2 | -1.2 | V | ||||
| VOH | 输出高电平电压 | Vcc=最小 VIL =最大 VIH=2V IOH =最大 | 2.4 | 2.4 | 3.4 | V | |||
| VOL | 输出低电平电压 | Vcc=最小 VIL =最大 VIH=2V IOL =最大 | 0.5 | 0.5 | V | ||||
| II | 输入电流 (最大输入电压时 ) | Vcc=最大 VI=5.5V | 1 | 1 | mA | ||||
| IIH | 输入高电平电流 | Vcc=最大 VI=2.7V | 50 | 50 | μA | ||||
| IIL | 输入低电平电流 | Vcc=最大 VI=0.5V | -2 | -2 | mA | ||||
| IOZH | 高关态输出电流 | Vcc=最大 VI=2.0V Vo=2.4V | 50 | 50 | μA | ||||
| IOZL | 低关态输出电流 | Vcc=最大 VI=2.0V Vo=0.5V | -50 | -50 | μA | ||||
| IOS | 输出短路电流 | Vcc=最大 VO=0V | -40 | -100 | -40 | -100 | mA | ||
| ICC | 电源电流 | Vcc=最大(注) | 85 | 55 | 85 | mA | |||
注:Icc测量时,所有输出开路,所有输入接 4.5V。所有典型值均在 Vcc=5.0V, TA=25℃下测量得出。交流(开关)参数:Vcc=5.0V, TA=25℃
| 符号 | 参数名称 | 从(输入) | 到(输出) | 测试条件 | 参数值 | 单位 | ||
|---|---|---|---|---|---|---|---|---|
| 最小 | 典型 | 最大 | ||||||
| tPLH | 传输延迟时间 | A、B、C | Y | 12 | 18 | ns | ||
| tPHL | 传输延迟时间 | (4级) | 13 | 19.5 | ||||
| tPLH | 传输延迟时间 | A、B、C | W | CL=15pF | 10 | 15 | ns | |
| tPHL | 传输延迟时间 | (3级) | 9 | 13.5 | ||||
| tPLH | 传输延迟时间 | 任一 D | Y | RL=280Ω | 8 | 12 | ns | |
| tPHL | 传输延迟时间 | 8 | 12 | |||||
| tPLH | 传输延迟时间 | 任一 D | W | 4.5 | 7 | ns | ||
| tPHL | 传输延迟时间 | 4.5 | 7 | |||||
| tPZH | 传输延迟时间 | 选通 | Y | 13 | 19.5 | ns | ||
| tPZL | 传输延迟时间 | CL=50pF | 14 | 21 | ||||
| tPZH | 传输延迟时间 | 选通 | W | RL=280Ω | 13 | 19.5 | ns | |
| tPZL | 传输延迟时间 | 14 | 21 | |||||
| tPHZ | 传输延迟时间 | 选通 | Y | 5.5 | 8.5 | ns | ||
| tPLZ | 传输延迟时间 | CL=5 pF | 9 | 14 | ||||
| tPHZ | 传输延迟时间 | 选通 | W | RL=280Ω | 5.5 | 8.5 | ns | |
| tPLZ | 传输延迟时间 | 9 | 14 | |||||