54S258 / 74S258 特点:
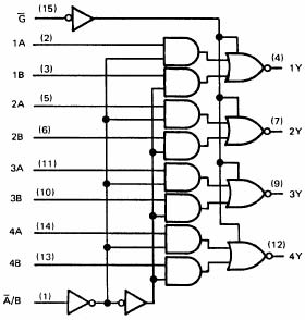
外引线排列图

功能表
| 输入 | 输出 | |||
|---|---|---|---|---|
| 输出控制 | 选择 | 数A | 据 B | Y |
| H | × | × | × | Z |
| L | L | L | × | H |
| L | L | H | × | L |
| L | H | × | L | H |
| L | H | × | H | L |
说明:
这种高性能肖特基钳位数据选择器/多路器采用三态输出,可直接与组成总线系统的数据线接口,并可驱动它。除一个以外,所有公共输出被禁止(处于高阻状态)时,被使能的低阻抗输出将驱动总线到高电平或低电平。为了尽力避免两个相反逻辑电平的输出占用一根公共总线,输出—使能线路被设计成输出禁止时间比输出使能时间短。
三态输出的这种特性将意味着,对数据总线可以组成高达256个源的n位(平行)数据选择器。在整个系统的数据储存中,它也可使用标准 TTL寄存器。
推荐工作条件
| 符号 | 参数名称 | 74S258 | 54S258 | 单位 | ||||
|---|---|---|---|---|---|---|---|---|
| 最小 | 典型 | 最大 | 最小 | 典型 | 最大 | |||
| Vcc | 电源电压 | 4.75 | 5 | 5.25 | 4.5 | 5 | 5.5 | V |
| VIH | 输入高电平电压 | 2.0 | 2.0 | V | ||||
| VIL | 输入低电平电压 | 0.8 | 0.8 | V | ||||
| IOH | 输出高电平电流 | -6.5 | -2.0 | mA | ||||
| IOL | 输出低电平电流 | 20 | 20 | mA | ||||
| TA | 工作环境温度 | -40 | 85 | -55 | 125 | ℃ | ||
电 性 能:(除特别说明外,均为全温度范围)
| 符号 | 参数名称 | 测试条件 | 74S258 | 54S258 | 单位 | ||||||
|---|---|---|---|---|---|---|---|---|---|---|---|
| 最小 | 典型 | 最大 | 最小 | 典型 | 最大 | ||||||
| VIK | 输入钳位电压 | Vcc=最小 II =-18mA | -1.2 | -1.2 | V | ||||||
| VOH | 输出高电平电压 | Vcc=最小 VIL =最大 VIH=2V IOH=最大 | 2.4 | 2.4 | 3.4 | V | |||||
| VOL | 输出低电平电压 | Vcc=最小 VIL =最大 VIH=2V IOL=最大 | 0.5 | 0.5 | V | ||||||
| II | 输入电流 (最大输入电压时) | Vcc=最大 VI=5.5V | 1.0 | 1.0 | mA | ||||||
| IIH | 输入高电平电流 | Vcc=最大 VI=2.7V | 输入 | 100 | 100 | μA | |||||
| 其它输入 | 50 | 50 | |||||||||
| IIL | 输入低电平电流 | Vcc=最大 VI=0.5V | 输入 | -4 | -4 | mA | |||||
| 其它输入 | -2 | -2 | |||||||||
| IOZH | 高关态输出电流 | Vcc=最大 VI=2.0V Vo=2.7V | 50 | 50 | μA | ||||||
| IOZL | 低关态输出电流 | Vcc=最大 VI=2.0V Vo=0.5V | -50 | -50 | μA | ||||||
| IOS | 输出短路电流 | Vcc=最大 VO=0V | -40 | -100 | -40 | -100 | mA | ||||
| Vcc=最大 | 所有输出为高 | 56 | 36 | 56 | mA | ||||||
| ICC | 电源电流 | (注) | 所有输出为低 | 81 | 52 | 81 | |||||
| 所有输出为禁态 | 87 | 56 | 87 | ||||||||
注:Icc测量时,所有输出开路,在达到规定条件下尽可能将所有输入端接地。所有典型值均在 Vcc=5.0V, TA=25℃下测量得出。交流(开关)参数:Vcc=5.0V, TA=25℃
| 符号 | 参数名称 | 从(输入) | 到(输出) | 测试条件 | 参数值 | 单位 | ||
|---|---|---|---|---|---|---|---|---|
| 最小 | 典型 | 最大 | ||||||
| tPLH | 传输延迟时间 | 数据 A、B | 4 | 6 | ns | |||
| tPHL | 传输延迟时间 | CL=15pF | 4 | 6 | ||||
| tPLH | 传输延迟时间 | 选择 | 8 | 12 | ns | |||
| tPHL | 传输延迟时间 | 任一 Y | RL=280Ω | 7.5 | 12 | |||
| tPZH | 传输延迟时间 | 输出控制 | 13 | 19.5 | ns | |||
| tPZL | 传输延迟时间 | 14 | 21 | |||||
| tPHZ | 传输延迟时间 | 输出控制 | CL=5 pF | 5.5 | 9.5 | ns | ||
| tPLZ | 传输延迟时间 | RL=280Ω | 9 | 14 | ||||