54S374 / 74S374 特点:
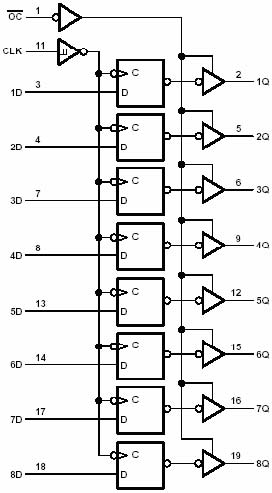
·PNP输入减少数据线上的直流负载外引线排列图

功能表
| 输入 | 输出 | ||
|---|---|---|---|
| 输出控制 | 时钟 | 数据 | |
| CLK | D | Q | |
| L | ↑ | H | H |
| L | ↑ | L | L |
| L | L | × | QO |
| H | × | × | Z |
H=高电平 L=低电平 ×=不定 Z=高阻态
↑=从低转换到高电平 QO=建立稳态输入条件前 Q的电平
说明:
S374的八个触发器是边沿触发 D型触发器。在时钟的正跳动,Q输出将处于 D输入端已建立的逻辑状态。
时钟线上的施密特触发缓冲输入将简化系统设计,因为输入滞后作用使交流和直流抗扰度一般提高 400mV。缓冲输出的控制输入将使八个输出处于正常状态(高电平或低电平)或处于高阻状态。在高阻态下,输出既不能有效地给总线加负载,也不能有效地驱动总线。
输出控制不影响触发器的内部工作,既老数据可以保持,甚至当输出被关闭,新的数据也可以置入。
推荐工作条件
| 符号 | 参数名称 | 74S374 | 54S374 | 单位 | |||||
|---|---|---|---|---|---|---|---|---|---|
| 最小 | 典型 | 最大 | 最小 | 典型 | 最大 | ||||
| Vcc | 电源电压 | 4.75 | 5 | 5.25 | 4.5 | 5 | 5.5 | V | |
| VIH | 输入高电平电压 | 2.0 | 2.0 | V | |||||
| VIL | 输入低电平电压 | 0.8 | 0.8 | V | |||||
| IOH | 输出高电平电流 | -6.5 | -2 | mA | |||||
| IOL | 输出低电平电流 | 20 | 20 | mA | |||||
| tW | 使能脉冲宽度 | 高 | 6 | 6 | ns | ||||
| 低 | 7.3 | 7.3 | ns | ||||||
| tsu | 数据建立时间 | 5↑ | 5↑ | ns | |||||
| th | 数据保持时间 | 2↑ | 2↑ | ns | |||||
| TA | 工作环境温度 | -40 | 85 | -55 | 125 | ℃ | |||
电 性 能:(除特别说明外,均为全温度范围)
| 符号 | 参数名称 | 测试条件 | 74S374 | 54S374 | 单位 | ||||
|---|---|---|---|---|---|---|---|---|---|
| 最小 | 典型 | 最大 | 最小 | 典型 | 最大 | ||||
| VIK | 输入钳位电压 | Vcc=最小 II =-18mA | -1.2 | -1.2 | V | ||||
| VOH | 输出高电平电压 | Vcc=最小 VIL =最大 VIH=2V IOH=最大 | 2.4 | 2.4 | 3.4 | V | |||
| VOL | 输出低电平电压 | Vcc=最小 VIL=最大 VIH=2V IOL=最大 | 0.5 | 0.5 | V | ||||
| II | 输入电流 (最大输入电压时 ) | Vcc=最大 VI=5.5V | 1 | 1 | mA | ||||
| IIH | 输入高电平电流 | Vcc=最大 VI=2.7V | 50 | 50 | μA | ||||
| IIL | 输入低电平电流 | Vcc=最大 VI=0.5V | -250 | -250 | μA | ||||
| IOZH | 高关态输出电流 | Vcc=最大 VI=2.0V Vo=2.4V | 50 | 50 | μA | ||||
| IOZL | 低关态输出电流 | Vcc=最大 VI=2.0V Vo=0.5V | -50 | -50 | μA | ||||
| IOS | 输出短路电流 | Vcc=最大 VO=0V | -40 | -100 | -40 | -100 | mA | ||
| ICC | 电源电流 | Vcc=最大 (注) | 140 | 90 | 140 | mA | |||
注:Icc在输出控制端加 4.5V时测量。所有典型值均在 Vcc=5.0V, TA=25℃下测量得出。交流(开关)参数:Vcc=5.0V, TA=25℃
| 符号 | 参数名称 | 从(输入) | 到(输出) | 测试条件 | 参数值 | 单位 | ||
|---|---|---|---|---|---|---|---|---|
| 最小 | 典型 | 最大 | ||||||
| fmax | 最大时钟频率 | 70 | 100 | MHz | ||||
| tPLH | 传输延迟时间 | 时钟 CLK | 8 | 15 | ns | |||
| tPHL | 传输延迟时间 | CL=15pF | 11 | 17 | ||||
| tPZH | 传输延迟时间 | 输出控制 | 任一 Q | 8 | 15 | ns | ||
| tPZL | 传输延迟时间 | RL=280Ω | 11 | 18 | ||||
| tPHZ | 传输延迟时间 | 输出控制 | CL=5pF | 5 | 9 | ns | ||
| tPLZ | 传输延迟时间 | RL=280Ω | 7 | 12 | ||||