54S83 / 74S83 特点:
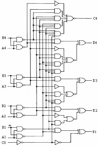
外引线排列图


说明:
这个改进型的全加器可完成两个 4位二进制字的加法。每一位都有和(∑)的输出,第四位为总进位( C4)。本加法器可对内部 4位,进行全超前进位,在
7.5ns(典型)之内产生进位项。这种能力给系统设计者在经济性上提供局部的超前性能,且减少执行行波进位的封装数。
全加器的逻辑(包括进位)都采用原码形式。不需要逻辑或电平转换就可完成循环进位。
推荐工作条件
| 符号 | 参数名称 | 74S83 | 54S83 | 单位 | |||||
|---|---|---|---|---|---|---|---|---|---|
| 最小 | 典型 | 最大 | 最小 | 典型 | 最大 | ||||
| Vcc | 电源电压 | 4.75 | 5 | 5.25 | 4.5 | 5 | 5.5 | V | |
| VIH | 输入高电平电压 | 2 | 2 | V | |||||
| VIL | 输入低电平电压 | 0.8 | 0.7 | V | |||||
| IOH | 输出高电平电流 | C4输出 | -500 | -500 | μA | ||||
| 其它输出 | -1000 | -1000 | |||||||
| IOL | 输出低电平电流 | C4输出 | 10 | 10 | mA | ||||
| 其它输出 | 20 | 20 | |||||||
| TA | 工作环境温度 | -40 | 85 | -55 | 125 | ℃ | |||
电 性 能:(除特别说明外,均为全温度范围)
| 符号 | 参数名称 | 测试条件 | 74S83 | 54S83 | 单位 | |||||
|---|---|---|---|---|---|---|---|---|---|---|
| 最小 | 典型 | 最大 | 最小 | 典型 | 最大 | |||||
| VIK | 输入钳位电压 | Vcc=最小 II=-18mA | -1.2 | -1.2 | V | |||||
| VOH | 输出高电平电压 | Vcc=最小 VIL =最大 VIH=2V IOH =最大 | 2.7 | 2.5 | 3.4 | V | ||||
| VOL | 输出低电平电压 | Vcc=最小 VIL =最大 VIH=2V IOL =最大 | 0.5 | 0.5 | V | |||||
| II | 输入电流 (最大输入电压时 ) | Vcc=最大 VI=5.5V | 1 | 1 | mA | |||||
| IIH | 输入高电平电流 | Vcc=最大 VI=2.7V | 50 | 50 | μA | |||||
| IIL | 输入低电平电流 | Vcc=最大 VI=0.5V | -2 | -2 | mA | |||||
| IOS | 输出短路电流 | Vcc=最大 VO=0V | C4输出 | -20 | -100 | -20 | -100 | mA | ||
| 其它输出 | -40 | -100 | -40 | -100 | ||||||
| ICC | 电源电流 | Vcc=最大(注 1) | 80 | mA | ||||||
| Vcc=最大(注 2) | 160 | 95 | 160 | mA | ||||||
注:ICCH在所有输出开路和所有输入接 4.5V条件下或所有 B输入接地,其它所有输入
接 4.5V下测量; ICCL在所有输出开路和所有输入接地条件下测量。所有典型值均在 Vcc=5.0V, TA=25℃下测量得出。
交流(开关)参数:Vcc=5.0V, TA=25℃
| 符号 | 参数名称 | 从(输入) | 到(输出) | 测试条件 | 参数值 | 单位 | ||
|---|---|---|---|---|---|---|---|---|
| 最小 | 典型 | 最大 | ||||||
| tPLH | 传输延迟时间 | C0 | 11 | 18 | ns | |||
| tPHL | 传输延迟时间 | Σi | 12 | 18 | ||||
| tPLH | 传输延迟时间 | Ai或 Bi | 12 | 18 | ns | |||
| tPHL | 传输延迟时间 | CL=15pF | 11.5 | 18 | ||||
| tPLH | 传输延迟时间 | C0 | RL=280Ω | 6 | 11 | ns | ||
| tPHL | 传输延迟时间 | C4 | 7.5 | 11 | ||||
| tPLH | 传输延迟时间 | Ai或 Bi | 7.5 | 12 | ns | |||
| tPHL | 传输延迟时间 | 8.5 | 12 | |||||