可控硅三相全控桥控制板KJZ6
KJZ6 可控硅三相全控桥控制板用于可控硅三相桥式全控变流器的触发。该板可将控制电压幅度转换为相应导通角功率足够大的触发脉冲,使主电路可靠地工作,每相输出脉冲能可靠地驱动一支大功率可控硅元件。KJZ6 板有以下特点:
- 带有整流稳压器件,使用时仅需一个输出双l8V的变压器就可以工作,用户不需另搞辅助电源。±l5V及+24V直流电压除供板子使用外,也可供外部器件使用。但±l5V负载能力仅几十毫安,当需要±l5V电流较大时可扩展。用一个NPN管集电极接+24V,基极接15V,发射极输出较大功率的+15V;同样地,用一个PNP管集电极接-24V,基极接-15V,发射极输出较大功率的-l5V电源。
- 同步滤波网络不受电源中波形畸变和换流缺口的干扰。
- 适应较宽的同步电压范围,并只需三相同步电压。
- 各相脉冲不均衡度很小。
- 能很方便地与调节系统匹配,并只需调节信号的上下限就可以调节整流和逆变角。
- 输出是脉冲列式的双脉冲,对不同宽度的脉冲可以使用统一的脉冲变压器。
- 有一个脉冲输出端,用以控制脉冲输出和正反组可逆系统中作逻辑切换控制。
- 由于采用专用电路耐004、KJ041、埘042,控制板体积小、调整维修方便。线路稍加改就可用于双相可控硅或反并联双相可控硅的三相交流调压电路。
KJZ6 电参数:
- 交流同步电压:三相30V±5V(有效值)。
- 同步工作电流:2~3mA。
- 同步接法:380V/30V,△/Y。
- 移相控制电压(相应于120。移相范围):
- a.-8~+8V b.-4~+4V
- C.0~8V d.-8~0V
- 移相输入阻抗:≥3kΩ。
- 移相范围(最大):170°。
- 触发脉冲形式:脉冲列调制式双脉冲。
- 脉冲列频率:5~10kHz。
- 输出级允许负载电流:≥800mA。
- 脉冲前沿≤1µs。
- 各相脉冲不均衡:≤±3°。
- 电源电压:直流±(15V±5V)%。
- 电源电流:+15V电流≤85mA,-l5V电流≤85mA。
- 整流输入交流电源为每组l8V(交流有效值)。
- 允许使用环境温度:-l0~+70℃。
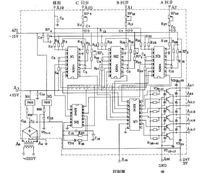
- KJZ6板原理图如图所示。
KJZ6 板原理图如图所示

KJZ6 各点波形图
