FM200TU-3A HIGH POWER SWITCHING USE INSULATED PACKAGE

技术特性 Features
  • ID(rms) ..........................................................100A
  • VDSS.............................................................150V
  • Insulated Type
  • 6-elements in a pack
  • NTC Thermistor inside
  • UL Recognized
    Yellow Card No.E80276
    File No.E80271
应用领域 APPLICATION

AC motor control of forklift (battery power source), UPS

FM200TU-3A 产品实物图

FM200TU-3A 产品实物图

订购信息 Ordering Information
  • FM200TU-3A
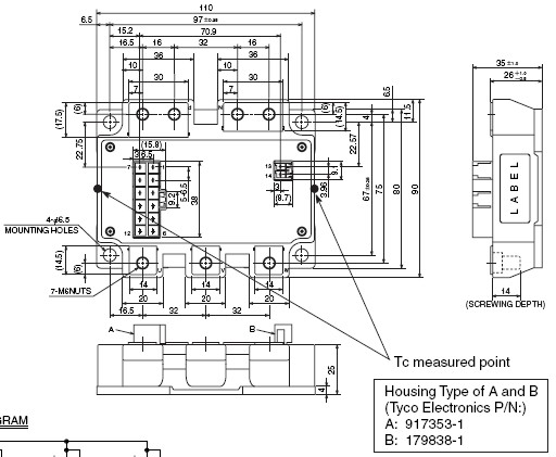
外观尺寸图 Outline Drawing

FM200TU-3A 外观尺寸图


应用技术支持与电子电路设计开发资源下载 版本信息 大小
FM200TU-3A 数据资料DataSheet下载:PDF Rev.V2 2 页