The MGFK30V4045 is an internally impedance-matched GaAs power FET especially designed for use in 14.0 – 14.5 GHz band amplifiers. The hermetically sealed metal-ceramic package guarantees high reliability.
技术特性 Features
应用领域 APPLICATION14.0 – 14.5 GHz band power amplifiers 订购信息 Ordering Information
|
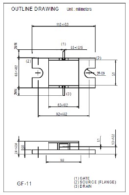
外观尺寸图 Outline Drawing |
| 应用技术支持与电子电路设计开发资源下载 | 版本信息 | 大小 |
| MGFK30V4045 数据资料DataSheet下载:PDF | Rev.V2 | 2 页 |