MGFK37V4045 14.0 – 14.5 GHz BAND / 5.5W

The MGFK37V4045 is an internally impedance-matched GaAs power FET especially designed for use in 14.0 – 14.5 GHz band amplifiers. The hermetically sealed metal-ceramic package guarantees high reliability.

技术特性 Features
  • Internally matched to 50(ohm) system
  • Flip-chip mounted
  • High output power
    P1dB=5.5W (TYP.) @f=14.0 – 14.5GHz
  • High linear power gain
    GLP=5.5dB (TYP.) @f=14.0 – 14.5GHz
  • High power added efficiency
    P.A.E.=17% (TYP.) @f=14.0 – 14.5GHz
应用领域 APPLICATION

14.0 – 14.5 GHz band power amplifiers

订购信息 Ordering Information
  • MGFK37V4045
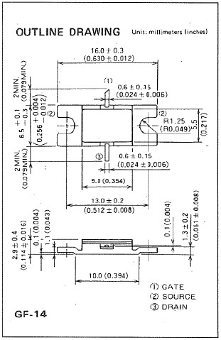
外观尺寸图 Outline Drawing

MGFK37V4045 外观尺寸图


应用技术支持与电子电路设计开发资源下载 版本信息 大小
MGFK37V4045 数据资料DataSheet下载:PDF Rev.V2 2 页