MGFS45B2527B 2.5 – 2.7 GHz BAND / 30W
The MGFS45B2527B is an internally impedance-matched GaAs power FET especially designed for use in 2.5 – 2.7 GHz band amplifiers. The hermetically sealed metal-ceramic package guarantees high reliability.
技术特性 Features
- Class AB operation
Internally matched to 50(ohm) system
- High output power
Po(SAT)=30W (TYP.) @f=2.5 – 2.7GHz
- High power gain
GLP=12.5dB (TYP.) @f=2.5 – 2.7GHz
- Distortion
EVM=1.0% (TYP.) @f=2.5 – 2.7GHz, Po=34dBm
EVM=2.0% (TYP.) @f=2.5 – 2.7GHz, Po=37dBm
订购信息 Ordering Information
|
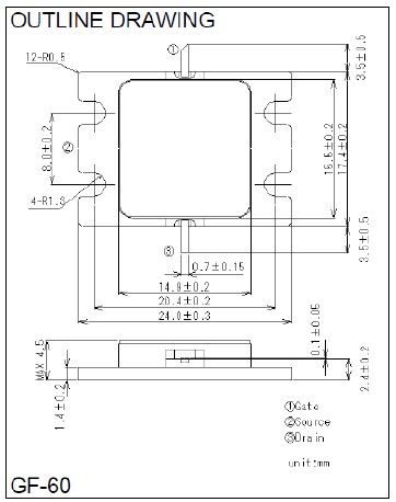
外观尺寸图 Outline Drawing

|