MGFS48B2122 2.11 – 2.17 GHz BAND / 60W
The MGFS48B2122 is a 60W push-pull type GaAs power FET especially designed for use in 2.11 – 2.17GHz band amplifiers. The hermetically sealed metal-ceramic package guarantees high reliability.
技术特性 Features
- Push-pull configuration
- High output power
Pout=60W (TYP.) @f=2.17GHz
- High power gain
GLP=12.0dB (TYP.) @f=2.17GHz
- High power added efficiency
P.A.E.=48% (TYP.) @f=2.17GHz
应用领域 APPLICATION
- 2.11-2.17GHz band power amplifier for W-CDMA Base Station
订购信息 Ordering Information
|
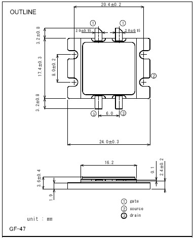
外观尺寸图 Outline Drawing

|