MGFX36V0717 10.7 – 11.7 GHz BAND / 4W

The MGFX36V0717 is an internally impedance-matched GaAs power FET especially designed for use in 10.7 – 11.7 GHz band amplifiers. The hermetically sealed metal-ceramic package guarantees high reliability.

技术特性 Features
  • Internally impedance matched
  • High output power
    P1dB=4.0W (TYP.) @f=10.7 – 11.7GHz
  • High linear power gain
    GLP=8.0dB (TYP.) @f=10.7 – 11.7GHz
  • High power added efficiency
    P.A.E.=28% (TYP.) @f=10.7 – 11.7GHz
应用领域 APPLICATION

For use in 10.7 – 11.7 GHz band power amplifiers

订购信息 Ordering Information
  • MGFX36V0717
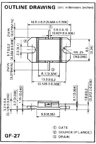
外观尺寸图 Outline Drawing

MGFX36V0717 外观尺寸图


应用技术支持与电子电路设计开发资源下载 版本信息 大小
MGFX36V0717 数据资料DataSheet下载:PDF Rev.V2 2 页