ML60171C LASER DIODES FOR DISPLAY SYSTEM
Mitsubishi ML6xx71 is a high-power, highefficient semiconductor laser diode which provides emission wavelength of 827 nm and standard light output of 260mW. This LD has narrow-stripe structure which enables better beam quality even at high output power.
技术特性 Features
- High Output Power: 260mW (CW)
- High Efficiency: 1.0mW/mA (typ.)
- Peak Wavelength: 827nm (typ.)
- Lateral single-mode lasing
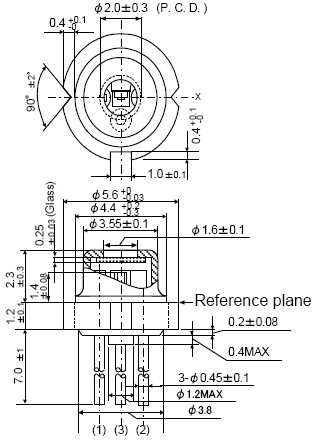
- φ5.6mm TO-CAN PKG (with monitor PD)
应用领域 APPLICATION
订购信息 Ordering Information
ML60171C 产品实物图

|
外观尺寸图 Outline Drawing

|