技术特性 Features
- Adopting new 4th generation planar IGBT chip, which performance is improved by 1μm fine rule process.For example, typical VCE(sat)=1.7V
- Using new Diode which is designed to get soft reverse recovery characteristics.
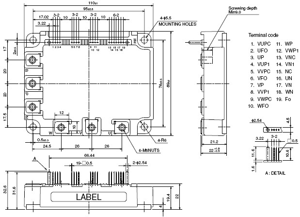
- Keeping the package compatibility.The layout/position of both terminal pin and mounting hole is same as S-series 3rd generation IPM.
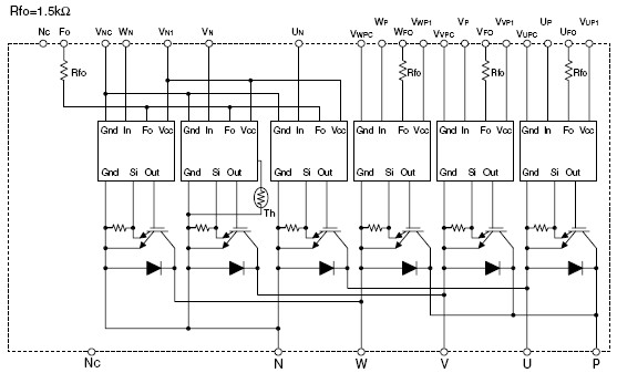
- 3φ 100A, 600V Current-sense IGBT for 15kHz switching
- Monolithic gate drive & protection logic
- Detection, protection & status indication circuits for overcurrent, short-circuit, over-temperature & under-voltage (P-Fo available from upper leg devices)
- Acoustic noise-less 11kW class inverter application
- UL Recognized Yellow Card No.E80276(N)File No.E80271
应用领域 APPLICATION
General purpose inverter, servo drives and other motor controls
PM100CSD060 产品实物图

|
订购信息 Ordering Information
功能框图 Functional Block Diagram

外观尺寸图 Outline Drawing

|