PM100CVA060 FLAT-BASE TYPE INSULATED PACKAGE

技术特性 Features
  • 3φ 100A, 600V Current-sense IGBT for 20kHz switching
  • Monolithic gate drive & protection logic
  • Detection, protection & status indication circuits for overcurrent,short-circuit, over-temperature & under-voltage(P-FO available from upper leg devices)
  • Acoustic noise-less 11kW class inverter application
  • UL Recognized
    Yellow Card No. E80276(N)
    File No. E80271
应用领域 APPLICATION

General purpose inverter, servo drives and other motor controls

订购信息 Ordering Information
PM100CVA060 产品实物图

PM100CVA060 产品实物图

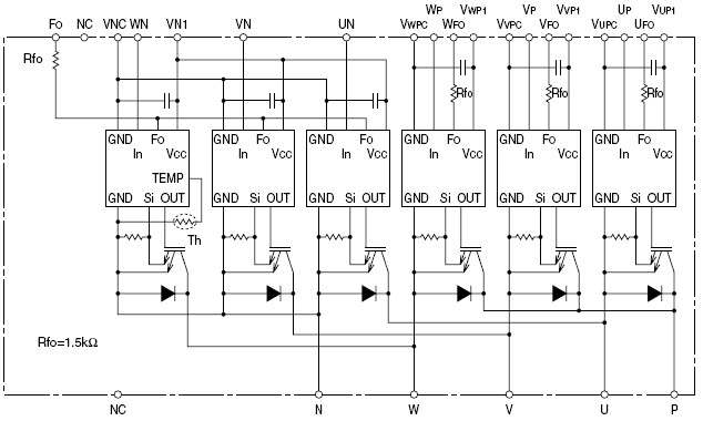
功能框图 Functional Block Diagram

PM100CVA060 功能图框

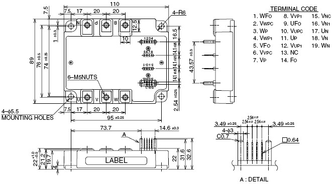
外观尺寸图 Outline Drawing

PM100CVA060 外观尺寸图


应用技术支持与电子电路设计开发资源下载 版本信息 大小
PM100CVA060 数据资料DataSheet下载:PDF Rev.V2 2 页