技术特性 Features
- 3φ 150A, 1200V Current-sense IGBT for 20kHz switching
- Monolithic gate drive & protection logic
- Detection, protection & status indication circuits for overcurrent,
short-circuit, over-temperature & under-voltage
(P-FO available from upper leg devices)
- Acoustic noise-less 30kW class inverter application
- UL Recognized
Yellow Card No. E80276(N)
File No. E80271
应用领域 APPLICATION
General purpose inverter, servo drives and other motor controls
PM150CVA120 产品实物图

|
订购信息 Ordering Information
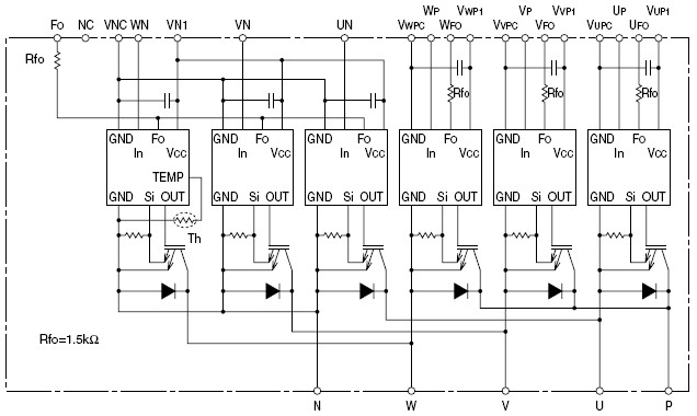
功能框图 Functional Block Diagram

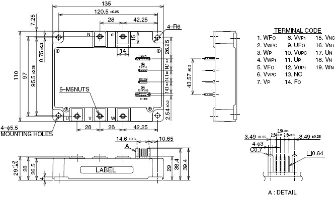
外观尺寸图 Outline Drawing

|