技术特性 Features
- Adopting new 5th generation IGBT (CSTBT) chip, which
performance is improved by 1μm fine rule process.
For example, typical Vce(sat)=1.5V @Tj=125°C
- I adopt the over-temperature conservation by Tj detection of
CSTBT chip, and error output is possible from all each conservation
upper and lower arm of IPM.
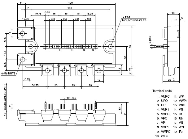
- New small package
Reduce the package size by 10%, thickness by 22% from
S-DASH series.
- Current rating of brake part increased.
50% for the current rating of inverter part.
- 3φ 150A, 600V Current-sense IGBT type inverter
- 75A, 600V Current-sense regenerative brake IGBT
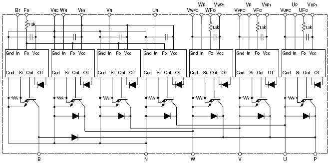
- Monolithic gate drive & protection logic
- Detection, protection & status indication circuits for, shortcircuit,
over-temperature & under-voltage (P-Fo available from upper arm devices)
- Acoustic noise-less 15kW/18.5kW class inverter application
- UL Recognized Yellow Card No.E80276(N)File No.E80271
PM150RLA060 产品实物图

|
订购信息 Ordering Information
应用领域 APPLICATION
General purpose inverter, servo drives and other motor controls
功能框图 Functional Block Diagram

外观尺寸图 Outline Drawing

|