技术特性 Features
- Adopting new 4th generation planar IGBT chip, which performance
is improved by 1μm fine rule process.For example, typical VCE(sat)=1.7V
- Using new Diode which is designed to get soft reverse
recovery characteristics.
- 3φ 150A, 600V Current-sense IGBT for 15kHz switching
- 50A, 600V Current-sense regenerative brake IGBT
- Monolithic gate drive & protection logic
- Detection, protection & status indication circuits for overcurrent,
short-circuit, over-temperature & under-voltage
- Acoustic noise-less 15/18.5kW class inverter application
- UL Recognized Yellow Card No.E80276(N)File No.E80271
订购信息 Ordering Information
应用领域 APPLICATION
General purpose inverter, servo drives and other motor controls
PM150RSE060 产品实物图

|
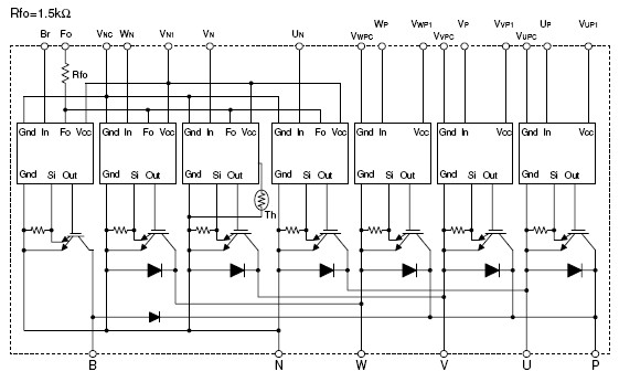
功能框图 Functional Block Diagram

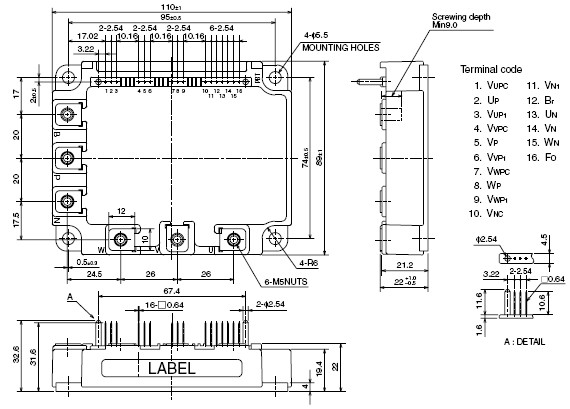
外观尺寸图 Outline Drawing

|