技术特性 Features
- Adopting new 5th generation IGBT (CSTBT) chip, which
performance is improved by 1μm fine rule process.
For example, typical Vce(sat)=1.5V @Tj=125°C
- I adopt the over-temperature conservation by Tj detection of
CSTBT chip, and error output is possible from all each conservation
upper and lower arm of IPM.
- 3φ 200A, 600V Current-sense IGBT type inverter
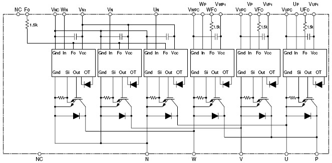
- Monolithic gate drive & protection logic
- Detection, protection & status indication circuits for, shortcircuit,
over-temperature & under-voltage (P-Fo available
from upper arm devices)
- Acoustic noise-less 22kW class inverter application
- UL Recognized Yellow Card No.E80276(N)File No.E80271
订购信息 Ordering Information
PM200CLA060 产品实物图

|
应用领域 APPLICATION
General purpose inverter, servo drives and other motor controls
功能框图 Functional Block Diagram

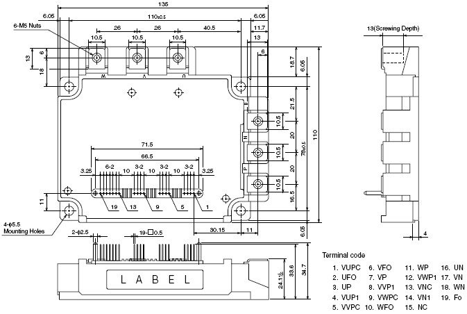
外观尺寸图 Outline Drawing

|